
# Lời nói đầu
QCVN 22:2010/BTTTT được xây dựng trên cơ sở soát xét, chuyển đổi Tiêu chuẩn ngành TCN 68-190:2003 "Thiết bị đầu cuối viễn thông - Yêu cầu an toàn điện" ban hành theo Quyết định số 195/2003/QĐ-BBCVT ngày 29 tháng 12 năm 2003 của Bộ trưởng Bộ Bưu chính, Viễn thông (nay là Bộ Thông tin và Truyền thông).
Các quy định kỹ thuật và phương pháp xác định của QCVN 22: 2010/BTTTT phù hợp với tiêu chuẩn EN 41003:1996 “Các yêu cầu an toàn đối với thiết bị nối với mạng viễn thông” và EN 60950:1992 (amd. 11, 1997) “Các yêu cầu an toàn đối với các thiết bị công nghệ thông tin, bao gồm cả các thiết bị điện thương mại”.
QCVN 22:2010/BTTTT do Viện Khoa học Kỹ thuật Bưu điện biên soạn, Vụ Khoa học và Công nghệ trình duyệt và được ban hành kèm theo Thông tư số 18/2010/TT-BTTTT ngày 30 tháng 07 năm 2010 của Bộ trưởng Bộ Thông tin và Truyền thông.
# 1. QUY ĐỊNH CHUNG
# 1.1. Phạm vi điều chỉnh
Quy chuẩn kỹ thuật quốc gia này quy định các yêu cầu kỹ thuật về an toàn điện đối với các thiết bị đầu cuối viễn thông kết nối với mạng viễn thông công cộng.
Các yêu cầu kỹ thuật quy định trong Quy chuẩn này nhằm:
- Bảo vệ các nhân viên phục vụ và những người sử dụng các thiết bị khác trên mạng điện thoại cố định khỏi những nguy hiểm do việc kết nối thiết bị với mạng;
- Bảo vệ những người sử dụng thiết bị đầu cuối viễn thông khỏi quá áp trên mạng.
Quy chuẩn này không bao gồm các nội dung sau:
- Độ tin cậy của thiết bị khi làm việc;
- Bảo vệ thiết bị hoặc mạng điện thoại cố định khỏi nguy hiểm;
- Các yêu cầu đối với thiết bị viễn thông được cấp nguồn từ xa.
# 1.2. Đối tượng áp dụng
Quy chuẩn này được áp dụng đối với các tổ chức, cá nhân Việt Nam và nước ngoài có hoạt động sản xuất, kinh doanh các thiết bị đầu cuối viễn thông trên lãnh thổ Việt Nam.
# 1.3. Giải thích từ ngữ
# 1.3.1. Điện áp nguy hiểm (hazardous voltage - excessive voltage)
Điện áp nguy hiểm là điện áp vượt quá 42,4 V xoay chiều đỉnh hoặc 60 V một chiều, xuất hiện trong mạch mà không thoả mãn các yêu cầu đối với mạch giới hạn dòng hay mạch TNV.
# 1.3.2. Cách điện công tác (operational insulation)
Cách điện công tác là cách điện cần cho sự hoạt động bình thường của thiết bị.
CHÚ THÍCH: Cách điện công tác, theo định nghĩa, không bảo vệ chống điện giật. Tuy nhiên, nó có thể hạn chế đến mức thấp nhất ảnh hưởng của hiện tượng đánh lửa và cháy.
# 1.3.3. Cách điện cơ bản (basic insulation)
Cách điện cơ bản là cách điện tạo nên sự bảo vệ tối thiểu đối với hiện tượng điện giật.
# 1.3.4. Cách điện bổ sung (supplementary insulation)
Cách điện bổ sung là cách điện độc lập dùng bổ sung cho cách điện cơ bản để bảo đảm tránh điện giật trong trường hợp hỏng cách điện cơ bản.
# 1.3.5. Cách điện kép (double insulation)
Cách điện kép là cách điện gồm cả cách điện cơ bản và cách điện bổ sung.
# 1.3.6. Cách điện tăng cường (reinforced insulation)
Cách điện tăng cường là một hệ thống cách điện đơn cho phép bảo vệ chống điện giật tương đương với cách điện kép tại các điều kiện quy định trong Quy chuẩn này.
CHÚ THÍCH: Thuật ngữ “hệ thống cách điện” không có nghĩa là cách điện phải là một bộ phận đồng nhất. Nó có thể gồm nhiều lớp, không thể thử giống như cách điện bổ sung hoặc cách điện cơ bản.
# 1.3.7. Mạch sơ cấp (primary circuit)
Mạch sơ cấp là mạch bên trong thiết bị, nối trực tiếp với nguồn điện bên ngoài hoặc nguồn cung cấp điện tương đương khác (như máy phát điện).
# 1.3.8. Mạch thứ cấp (secondary circuit)
Mạch thứ cấp là mạch không nối trực tiếp với nguồn sơ cấp mà nhận nguồn cung cấp từ một máy biến áp, một bộ chuyển đổi, một thiết bị cách ly tương đương hoặc từ nguồn pin.
# 1.3.9. Mạch điện áp cực thấp (Extra Low Voltage (ELV) circuit)
Mạch ELV là mạch thứ cấp, ở điều kiện hoạt động bình thường, có điện áp giữa hai dây dẫn bất kỳ hay giữa một dây dẫn và đất không vượt quá 42,4V xoay chiều đỉnh hay 60 V một chiều. Mạch ELV được cách ly với điện áp nguy hiểm bằng ít nhất một lớp cách điện cơ bản và không thỏa mãn các yêu cầu đối với mạch SELV cũng như mạch giới hạn dòng.
# 1.3.10. Mạch điện áp cực thấp an toàn (Safety Extra Low Voltage (SELV) circuit)
Mạch SELV là mạch thứ cấp được thiết kế và bảo vệ sao cho ở điều kiện hoạt động bình thường thì điện áp của mạch không vượt quá giá trị an toàn cho phép.
CHÚ THÍCH: Giá trị điện áp an toàn (giá trị điện áp khi hoạt động bình thường và khi hỏng đơn) được quy định trong 2.4.3.3.
# 1.3.11. Mạch giới hạn dòng (Limited Current Circuit)
Mạch giới hạn dòng là mạch được thiết kế và bảo vệ ở điều kiện hoạt động bình thường và điều kiện có thể hỏng, dòng điện trong mạch không vượt quá các giá trị giới hạn.
CHÚ THÍCH: Các giá trị dòng điện giới hạn (dòng bão hoà) được quy định trong 2.4.3.4.
# 1.3.12. Mạch điện áp viễn thông (Telecommunication Network Voltage (TNV) Circuit)
Mạch điện áp viễn thông là mạch trong thiết bị có vùng tiếp cận đến nó bị hạn chế và được thiết kế, bảo vệ sao cho ở điều kiện hoạt động bình thường và hỏng đơn, điện áp không vượt quá các giá trị giới hạn xác định.
Mạch điện áp viễn thông được coi là một mạch thứ cấp.
Mạch TNV được chia thành ba loại là TNV-1, TNV-2 và TNV-3 theo các định nghĩa 1.3.13, 1.3.14 và 1.3.15.
CHÚ THÍCH: Giá trị điện áp giới hạn quy định ở điều kiện hoạt động bình thường và hỏng đơn được cho trong 2.1.2.1.
# 1.3.13. Mạch TNV-1 (Telecommunication Network Voltage Circuit 1)
Mạch TNV-1 là một mạch TNV mà:
- Điện áp hoạt động bình thường của nó không vượt quá các giới hạn đối với một mạch SELV ở điều kiện hoạt động bình thường;
- Có thể phải chịu sự quá áp do mạng viễn thông.
# 1.3.14. Mạch TNV-2 (Telecommunication Network Voltage Circuit 2)
Mạch TNV-2 là một mạch TNV mà:
- Điện áp hoạt động bình thường của nó vượt quá các giới hạn đối với một mạch SELV ở điều kiện hoạt động bình thường;
- Không phải chịu sự quá áp do mạng viễn thông.
# 1.3.15. Mạch TNV-3 (Telecommunication Network Voltage Circuit 3)
Mạch TNV-3 là một mạch TNV mà:
- Điện áp hoạt động bình thường của nó vượt quá các giới hạn đối với một mạch SELV ở điều kiện hoạt động bình thường;
- Có thể phải chịu sự quá áp do mạng viễn thông.
# 1.3.16. Nguồn IT (Insulation Terrestrial)
Mạng điện hạ áp có điểm trung tính cách ly với đất còn vỏ thiết bị điện được nối với tiếp đất bảo vệ độc lập.
# 1.3.17. Nguồn TN (Terrestrial neutral)
Mạng điện hạ áp có điểm trung tính trực tiếp nối đất
# 1.3.18. Nguồn TT (Terrestriated Terrestrial)
Mạng điện hạ áp có trung tính trực tiếp nối đất còn vỏ thiết bị điện được nối với tiếp đất bảo vệ đôc lập.
# 1.3.19. Người phục vụ (service personnel)
Người phục vụ là những người được đào tạo về kỹ thuật và có kinh nghiệm để nhận thức được nguy hiểm mà họ có thể gặp phải khi thực hiện nhiệm vụ và có biện pháp hạn chế đến mức thấp nhất sự nguy hiểm đối với bản thân họ và những người khác.
# 1.3.20. Người vận hành (operator)
Người vận hành là bất cứ người nào ngoài người phục vụ. Trong Quy chuẩn này, khái niệm “người vận hành” tương đương khái niệm “người sử dụng” và hai khái niệm có thể đổi cho nhau.
# 1.3.21. Người sử dụng (user)
Khái niệm “người sử dụng” tương đương với “người vận hành”.
# 1.3.22. Thiết bị loại I (Class I Equipment)
Thiết bị loại I là thiết bị được bảo vệ chống điện giật bằng cách:
- Sử dụng lớp cách điện cơ bản;
- Có các biện pháp nối các bộ phận dẫn điện với dây đất bảo vệ trong toà nhà (những bộ phận có thể gây ra điện áp nguy hiểm nếu lớp cách điện cơ bản bị hỏng).
CHÚ THÍCH:
1. Thiết bị loại I có thể có các bộ phận được cách điện kép, cách điện tăng cường hoặc các bộ phận hoạt động trong các mạch SELV.
2. Đối với thiết bị dùng dây cấp nguồn, yêu cầu dây cấp nguồn phải có dây đất bảo vệ.
# 1.3.23. Thiết bị loại II (class II equipment)
Thiết bị loại II là thiết bị mà việc bảo vệ chống điện giật không chỉ dựa vào lớp cách điện cơ bản mà còn có các biện pháp bổ sung như cách điện kép hoặc cách điện tăng cường, không phụ thuộc việc nối đất bảo vệ cũng như các điều kiện lắp đặt.
CHÚ THÍCH: Thiết bị loại II có thể là một trong các loại sau:
- Thiết bị có lớp vỏ điện bằng vật liệu cách điện liền bọc tất cả các bộ phận dẫn điện, trừ các bộ phận nhỏ như là bảng tên, đinh vít, đinh được cách ly với các bộ phận có điện áp nguy hiểm bằng ít nhất một lớp cách điện tăng cường; thiết bị này được gọi là thiết bị loại II được bọc cách điện;
- Thiết bị có lớp bọc bằng kim loại bền có sử dụng cách điện kép hoặc cách điện tăng cường, thiết bị này gọi là thiết bị loại II được bọc kim loại;
- Thiết bị kết hợp hai loại trên.
# 1.3.24. Vùng người vận hành tiếp cận (operator access area)
Ở điều kiện hoạt động bình thường, vùng người vận hành có thể tiếp cận là một trong số các vùng sau:
- Vùng có thể tiếp cận không cần sử dụng công cụ hỗ trợ;
- Vùng tiếp cận được bằng các công cụ chỉ dành riêng cho người khai thác;
- Vùng mà người vận hành được hướng dẫn tiếp cận không quan tâm đến việc có cần sử dụng công cụ hỗ trợ hay không.
# 1.3.25. Vùng truy cập dịch vụ (service access area)
Là vùng người phục vụ tiếp cận ngoại trừ vùng người vận hành tiếp cận, là vị trí mà khi cần thiết, người phục vụ có thể tiếp cận thậm chí thiết bị đang hoạt động.
# 1.3.26. Vùng hạn chế tiếp cận (restricted access location)
Vùng hạn chế tiếp cận là vùng có cả hai đặc điểm sau đây:
- Chỉ dành cho người phục vụ hoặc người sử dụng tiếp cận nếu đã được hướng dẫn về các lý do hạn chế đối với vùng này và phải thực hiện các biện pháp đề phòng;
- Có thể tiếp cận bằng việc sử dụng một công cụ, khoá và chìa khoá hoặc các phương tiện an toàn và được kiểm soát bởi người có trách nhiệm với vùng này.
# 2. QUY ĐỊNH KỸ THUẬT
# 2.1. Các yêu cầu đối với mạch điện áp viễn thông (TNV) và chống điện giật
# 2.1.1. Các yêu cầu đối với việc kết nối thiết bị
# 2.1.1.1. Các loại mạch kết nối
Khi thực hiện kết nối thiết bị đầu cuối viễn thông với mạng điện thoại cố định, phải sử dụng các mạch kết nối như sau:
- Mạch SELV hoặc mạch giới hạn dòng;
- Mạch TNV-1, TNV-2 hoặc TNV-3.
Mạch kết nối được lựa chọn sao cho sau khi thực hiện kết nối, thiết bị phải thoả mãn các yêu cầu đối với mạch SELV và mạch TNV.
# 2.1.1.2. Mạch kết nối là các mạch ELV
Khi một thiết bị được dùng hỗ trợ cho thiết bị chủ, có thể dùng các mạch ELV làm mạch kết nối giữa các thiết bị nếu các thiết bị đó vẫn thoả mãn các yêu cầu của Quy chuẩn này khi đã được nối với nhau.
# 2.1.1.3. Những quy định về an toàn
Trạng thái an toàn với các thiết bị khác của các điểm kết nối (mạch SELV, mạch TNV, mạch giới hạn dòng và mạch ELV) phải được ghi trong tài liệu của nhà sản xuất kèm theo thiết bị.
# 2.1.2. Các yêu cầu đối với mạch điện áp viễn thông (TNV)
# 2.1.2.1. Các giới hạn của mạch TNV
Trong một mạch TNV hoặc các mạch TNV nối với nhau, điện áp giữa hai dây dẫn bất kỳ và điện áp giữa một dây dẫn với đất phải thoả mãn các yêu cầu sau:
(a) Đối với mạch TNV-1
- Không được vượt quá 42,4 V xoay chiều đỉnh hoặc 60 V một chiều ở điều kiện hoạt động bình thường;
- Không được vượt quá các giới hạn quy định trong Hình 1 (các giá trị điện áp trong Hình 1 được đo trên một điện trở 5 kΩ ± 2%) trong trường hợp thiết bị có một hỏng đơn của lớp cách điện hoặc một bộ phận (không kể các bộ phận có lớp cách điện kép hoặc cách điện tăng cường).
CHÚ THÍCH: Trong trường hợp lớp cách điện đơn hoặc một bộ phận bị hỏng, giới hạn điện áp của mạch TNV-1 sau 200 ms là giới hạn đối với mạch TNV-2 hoặc TNV-3 ở điều kiện hoạt động bình thường.
- Đối với tín hiệu chuông điện thoại, điện áp của tín hiệu này tuân theo các yêu cầu trong Phụ lục C.
(b) Đối với mạch TNV-2 và TNV-3
Đối với các điện áp tín hiệu không phải là tín hiệu chuông, giá trị điện áp giữa hai dây dẫn bất kỳ và điện áp giữa một dây dẫn bất kỳ và đất có thể vượt quá 42,4 V xoay chiều đỉnh hoặc 60 V một chiều nhưng phải thoả mãn các yêu cầu sau:

- Không được vượt quá 70,7 V xoay chiều đỉnh hoặc 120 V một chiều ở điều kiện hoạt động bình thường;
- Không được vượt quá giới hạn chỉ ra trong Hình 1 trong trường hợp thiết bị có một hỏng đơn của lớp cách điện hoặc một bộ phận (không kể các bộ phận có lớp cách điện kép hoặc cách điện tăng cường).
# 2.1.2.2. Cách ly với các mạch khác và các bộ phận có thể tiếp cận
Sự cách ly của các mạch SELV, TNV-1, các bộ phận dẫn điện có thể tiếp cận với các mạch TNV-2, TNV-3 phải đảm bảo sao cho trong trường hợp lớp cách điện có hỏng đơn, điện áp trên các mạch SELV, TNV-1 và các bộ phận dẫn điện có thể tiếp cận không vượt quá các giới hạn trong 2.1.2.1 đối với mạch TNV-2 và TNV-3 ở điều kiện hoạt động bình thường.
CHÚ THÍCH:
- Xem thêm 2.2.3 và 2.3.
- Ở điều kiện làm việc bình thường, các giới hạn trong 2.4.3.3.2 luôn áp dụng với mạch SELV và các bộ phận dẫn điện có thể tiếp cận.
- Các giới hạn trong 2.1.2.1 luôn áp dụng với các mạch TNV.
Các yêu cầu về cách ly sẽ được thoả mãn nếu có lớp cách điện cơ bản như trong Bảng 1, trong đó có áp dụng 2.3.1 (không loại trừ các giải pháp khác).
| Các bộ phận được cách ly | Sự cách ly | |
|---|---|---|
| Mạch SELV hoặc các bộ phận dẫn điện có thể tiếp cận | Mạch TNV-1 | Như 2.3.1 |
| Mạch TNV-2 | Cách điện cơ bản | |
| Mạch TNV-3 | Cách điện cơ bản và như 2.3.1 | |
| Mạch TNV-1 | Mạch TNV-2 | Cách điện cơ bản và như 2.3.1 |
| Mạch TNV-2 | Mạch TNV-3 | Như 2.3.1 |
| Mạch TNV-1 | Mạch TNV-3 | Cách điện cơ bản |
| Mạch TNV-1 | Mạch TNV-1 | Cách điện công tác |
| Mạch TNV-2 | Mạch TNV-2 | Cách điện công tác |
| Mạch TNV-3 | Mạch TNV-3 | Cách điện công tác |
Trong trường hợp thỏa mãn các điều kiện sau, không cần sử dụng lớp cách điện cơ bản:
- Mạch SELV, mạch TNV-1 hoặc bộ phận dẫn điện có thể tiếp cận đã được nối đất bảo vệ;
- Các hướng dẫn lắp đặt đã quy định rằng kết cuối nối đất bảo vệ phải được nối cố định với đất;
- Phải tiến hành phép thử ở 2.1.2.3 nếu ở điều kiện hoạt động bình thường, mạch TNV-2 hoặc TNV-3 nhận tín hiệu hoặc nguồn có điện áp vượt quá giá trị 42,4 V xoay chiều đỉnh hoặc 60 V một chiều sinh ra từ bên ngoài và đưa vào thiết bị (ví dụ từ mạng viễn thông).
Tùy theo nhà sản xuất, một mạch TNV-1 hoặc TNV-2 có thể được coi như một mạch TNV-3. Trong trường hợp này, mạch TNV-1 và TNV-2 phải thoả mãn các yêu cầu về cách ly đối với mạch TNV-3.
Việc tuân thủ các yêu cầu này được kiểm tra bằng cách kiểm tra, đo thử và nếu cần thiết có thể mô phỏng lỗi của các bộ phận hay lớp cách điện có thể xảy ra trong thiết bị.
CHÚ THÍCH: Khi thực hiện cách ly bằng lớp cách điện cơ bản và các yêu cầu trong 2.3.1, điện áp thử trong phép thử xung và phép thử độ bền điện thường lớn hơn giá trị điện áp thử đối với lớp cách điện cơ bản.
# 2.1.2.3. Phép thử cách ly mạch TNV với các mạch SELV đã nối đất
(a) Mục đích phép thử
Mục đích của phép thử là kiểm tra sự cách ly giữa mạch TNV và các mạch SELV đã nối đất. Chỉ tiến hành phép thử này nếu nó được quy định trong 2.1.2.2.
(b) Phương pháp thử
Có thể sử dụng một máy phát thử do nhà sản xuất quy định để tạo điện áp làm việc lớn nhất có thể nhận được từ nguồn bên ngoài. Nếu không có loại máy này, có thể dùng máy phát thử 120 ± 2 (V) xoay chiều ở tần số 50 Hz hoặc 60 Hz và có trở kháng trong 1200 Ω ± 2%.
CHÚ THÍCH: Máy phát thử nói trên không dùng để tạo các điện áp thực tế trên mạng viễn thông, mà để tác động lên mạch của thiết bị được thử theo cách có thể lặp đi lặp lại nhiều lần.
Máy phát thử được nối tới các điểm kết cuối mạng viễn thông của thiết bị. Một cực của máy phát thử được nối với đất của thiết bị, xem Hình 2. Điện áp thử được đưa vào tối đa là 30 phút. Nếu rõ ràng là không có dấu hiệu của sự suy giảm chất lượng, phép thử có thể kết thúc sớm hơn.
Phép thử được lặp lại sau khi đổi các chiều nối với các điểm kết cuối mạng viễn thông của thiết bị.

c) Yêu cầu đối với phép thử
Trong quá trình thử, điện áp giữa hai dây bất kỳ hay một dây bất kỳ và đất trên các mạch SELV, mạch TNV-1 hoặc các bộ phận dẫn điện có thể tiếp cận, không vượt quá 42,4 V điện áp xoay chiều đỉnh hoặc 60 V một chiều.
# 2.1.2.4. Cách ly với các điện áp nguy hiểm
Trừ các trường hợp quy định trong 2.1.2.5, các mạch TNV cần được cách ly với các mạch có điện áp nguy hiểm bằng một trong hai hoặc bằng cả hai phương pháp sau đây:
- Bằng lớp cách điện kép hoặc cách điện tăng cường;
- Bằng lớp cách điện cơ bản và màn chắn dẫn điện nối với đất bảo vệ.
Việc tuân thủ các yêu cầu này được kiểm tra bằng cách xem xét, phân tích và đo đạc.
# 2.1.2.5. Kết nối mạch TNV với các mạch khác
Một mạch TNV có thể nối với các mạch khác nếu mạch TNV đã được cách ly với các mạch sơ cấp bên trong thiết bị (bao gồm cả trung tính), trừ các trường hợp quy định trong 2.4.3.2.7.
CHÚ THÍCH: Giới hạn trong 2.1.2.1 luôn áp dụng đối với các mạch TNV.
Nếu một mạch TNV nối với một hoặc nhiều mạch khác, mạch TNV trong các mạch đó phải thỏa mãn các giới hạn trong 2.1.2.1.
Khi mạch TNV được cấp nguồn từ một mạch thứ cấp, mạch này đã được cách ly với mạch điện áp nguy hiểm bằng một trong hai biện pháp sau:
- Sử dụng lớp cách điện kép hoặc cách điện tăng cường;
- Sử dụng một màn chắn dẫn điện đã nối đất, màn chắn này cách ly với mạch điện áp nguy hiểm bằng lớp cách điện cơ bản, thì mạch TNV được coi là đã cách ly với mạch điện áp nguy hiểm bằng phương pháp tương tự.
Việc tuân thủ các yêu cầu này được kiểm tra bằng cách xem xét, phân tích và mô phỏng lỗi của các bộ phận hay lớp cách điện có thể xảy ra trong thiết bị.
# 2.1.3. Bảo vệ để tránh tiếp xúc với các mạch TNV
CHÚ THÍCH: Trong một số trường hợp, việc tiếp cận các mạch TNV qua các mạch khác bị hạn chế như quy định trong 2.3.1.
# 2.1.3.1. Khả năng tiếp cận
Thiết bị phải được bảo vệ hợp lý để tránh sự tiếp xúc với các bộ phận dẫn điện hở của các mạch TNV, nơi có điện áp vượt quá 42,4 V xoay chiều đỉnh hoặc 60 V một chiều ở điều kiện hoạt động bình thường (cụ thể là TNV- 2 hoặc TNV- 3).
Các trường hợp không cần tuân theo yêu cầu này bao gồm:
- Phần tiếp xúc của các đầu nối không thể chạm vào bằng que thử (Phụ lục D);
- Thiết bị lắp đặt trong vùng hạn chế tiếp cận;
- Các bộ phận dẫn điện hở nằm bên trong ngăn ắc quy theo như 2.1.3.2;
- Các bộ phận dẫn điện hở trong vùng tiếp cận của người phục vụ.
# 2.1.3.2. Các ngăn ắc quy
Có thể tiếp cận với các bộ phận dẫn điện hở của các mạch TNV-2 và TNV-3 bên trong một ngăn ắc quy trong thiết bị nếu có tất cả các điều kiện sau:
- Ngăn ắc quy phải có nắp, khi mở phải sử dụng các công cụ hỗ trợ bằng chốt hoặc then cài;
- Khi nắp đóng, không thể tiếp cận với các mạch TNV-2 và TNV-3;
- Có thông báo với chỉ dẫn trên cửa để lưu ý người sử dụng khi mở cửa.
# 2.2. Yêu cầu đảm bảo an toàn cho các nhân viên phục vụ và những người sử dụng thiết bị khác của mạng điện thoại cố định
# 2.2.1. Bảo vệ khỏi điện áp nguy hiểm
Mạch nối trực tiếp với mạng viễn thông phải thoả mãn với các yêu cầu đối với mạch SELV hoặc mạch TNV.
Việc tuân thủ yêu cầu này được kiểm tra bằng cách đo.
# 2.2.2 Sử dụng đất bảo vệ
Thiết bị loại I phải sử dụng đất bảo vệ riêng (không dùng đất bảo vệ của mạng viễn thông).
Khi bảo vệ mạng viễn thông bằng đất bảo vệ của thiết bị, hướng dẫn lắp đặt thiết bị và các tài liệu kỹ thuật khác phải quy định rõ rằng việc hợp nhất đất bảo vệ phải được đảm bảo.
Việc tuân thủ với yêu cầu này được kiểm tra bằng cách xem xét, phân tích.
# 2.2.3. Cách ly mạng viễn thông với đất
# 2.2.3.1. Các yêu cầu
Trừ trường hợp quy định trong 2.2.3.3, phải có lớp cách điện giữa mạch nối với mạng viễn thông và các bộ phận hoặc mạch nối đất trong thiết bị được kiểm tra hoặc nối qua thiết bị khác. Các bộ triệt xung mắc song song với lớp cách điện phải có điện áp đánh thủng một chiều nhỏ nhất bằng 1,6 lần điện áp danh định hoặc 1,6 lần ngưỡng trên dải điện áp danh định của thiết bị. Trong trường hợp giữ nguyên các bộ triệt xung ở vị trí trên trong khi thử độ bền điện của lớp cách điện, các bộ triệt xung đó phải đảm bảo không bị hư hỏng.
Việc tuân thủ với các yêu cầu này được kiểm tra bằng cách xem xét, phân tích và bằng các phép thử dưới đây.
# 2.2.3.2. Phép thử cách ly mạng viễn thông với đất
(a) Mục đích phép thử
Mục đích của phép thử là kiểm tra sự cách ly giữa mạng viễn thông và đất.
(b) Phương pháp thử
Lớp cách điện phải được kiểm tra độ bền điện theo phép thử trong 2.3.2.2. Trong khi kiểm tra độ bền điện, có thể bỏ các bộ phận mắc song song với lớp cách điện trừ các tụ điện. Khi đó, cần thực hiện một phép thử phụ theo mạch thử ở Hình 3 với tất cả các bộ phận có trong mạch. Phép thử được thực hiện với mức điện áp bằng điện áp danh định hoặc ngưỡng trên dải điện áp danh định của thiết bị.

(c) Yêu cầu đối với phép thử
Khi thực hiện các phép thử này, phải đảm bảo:
- Không xảy ra sự đánh thủng lớp cách điện trong khi thử độ bền điện;
- Khi thử độ bền điện, các bộ phận mắc song song với lớp cách điện không bị hư hỏng;
- Dòng chạy trong mạch thử theo Hình 3 không được vượt quá 10 mA.
# 2.2.3.3. Các trường hợp ngoại lệ
Các yêu cầu trong 2.2.3.1 không áp dụng đối với các thiết bị sau:
- Thiết bị được nối cố định hay thiết bị cắm loại B;
- Thiết bị do người phục vụ lắp đặt và có hướng dẫn lắp đặt trong đó yêu cầu thiết bị phải được nối với một ổ cắm có nối đất bảo vệ;
- Thiết bị có dây đất bảo vệ được nối cố định và có kèm theo hướng dẫn lắp đặt dây dẫn này.
# 2.2.4. Dòng rò đến mạng viễn thông
# 2.2.4.1. Các giới hạn của dòng rò đến mạng viễn thông
Dòng rò đến mạng viễn thông phát sinh từ nguồn cung cấp cho thiết bị không được vượt quá các giá trị quy định trong Bảng 4 (đối với các thiết bị sử dụng hệ thống nguồn TT hoặc TN) và Bảng 5 (đối với các thiết bị sử dụng hệ thống nguồn IT).
Yêu cầu này không áp dụng đối với các thiết bị có mạch nối với mạng viễn thông đã nối đất trong thiết bị.
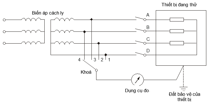
Việc tuân thủ yêu cầu này được kiểm tra bằng các phép thử trong 2.2.4.2 bằng cách sử dụng dụng cụ đo trong Phụ lục A, hoặc một mạch khác cho kết quả tương tự, và thường sử dụng một biến áp cách ly như hình vẽ.

# 2.2.4.2. Đo dòng rò đến mạng Viễn thông
(a) Mục đích phép đo:
Mục đích của phép đo là xác định dòng rò từ nguồn thiết bị đến mạng viễn thông.
(b) Phương pháp đo
- Đối với thiết bị có nhiều mạch được nối với mạng viễn thông, phép đo chỉ áp dụng với một mẫu của mỗi loại mạch.
- Đối với thiết bị 1 pha, dùng mạch đo như ở Hình 4. Phép đo được thực hiện kết hợp thuận cực và đảo cực mạch nguồn (công tắc S1) và mạch nối với mạng viễn thông (công tắc S2).
- Đối với thiết bị 3 pha, dùng mạch đo như ở Hình 5. Phép đo được thực hiện thuận cực và đảo cực mạch nối với mạng viễn thông (công tắc S2).

- Đối với thiết bị loại II, đường đứt nét như ở Hình 4 và 5, nếu có, không được sử dụng trong mạch đo này.
(c) Yêu cầu đối với phép đo
Dòng rò đo được trên các dụng cụ đo trong Hình 4 và Hình 5 không được vượt quá các giá trị quy định trong Bảng 2 (đối với các thiết bị sử dụng hệ thống nguồn TT và TN) hoặc Bảng 5 (đối với các thiết bị sử dụng hệ thống nguồn IT).
CHÚ THÍCH: Dụng cụ đo dòng rò cho trong Phụ lục A.
# 2.3. Bảo vệ người sử dụng thiết bị khỏi quá áp trên mạng viễn thông
# 2.3.1. Các yêu cầu về cách ly
Để bảo vệ người sử dụng thiết bị khỏi quá áp trên mạng viễn thông cần phải thực hiện các yêu cầu cách ly.
Các mạch TNV-1 hoặc TNV-3 trong thiết bị phải được cách ly về điện với một số bộ phận của thiết bị. Các bộ phận đó bao gồm:
(a) Các bộ phận dẫn điện không nối đất và các bộ phận không dẫn điện của thiết bị để cầm hoặc chạm vào khi sử dụng (ví dụ như ống nghe điện thoại, bàn phím);
(b) Các bộ phận và mạch có thể chạm vào bằng đầu thử (Phụ lục D), trừ các tiếp giáp của đầu nối mà không thể chạm vào bằng que thử (Phụ lục D);
(c) Các mạch nối với các thiết bị khác. Yêu cầu này vẫn được áp dụng dù cho mạch này có thể tiếp cận được hay không. Không áp dụng yêu cầu này cho các mạch được nối với một thiết bị khác mà bản thân thiết bị đó đã tuân thủ các yêu cầu trong 2.3).
Nếu qua phân tích mạch và thiết bị, thấy đã có các biện pháp bảo đảm an toàn khác, ví dụ giữa hai mạch mà cả hai mạch đều được nối với đất bảo vệ thì không áp dụng các yêu cầu này.
Việc tuân thủ với các yêu cầu này được kiểm tra bằng các phép thử trong 2.3.2.
# 2.3.2. Thủ tục thử
Các yêu cầu về cách ly trong 2.3.1 được kiểm tra bằng một trong hai phép thử 2.3.2.1 hoặc 2.3.2.2.
Một phương pháp khác để kiểm tra thiết bị hoàn chỉnh là áp dụng phép thử cho một bộ phận yêu cầu cần được cách ly (ví dụ một bộ chuyển đổi tín hiệu). Trong trường hợp này, không được cho các bộ phận khác hoặc các dây nối tham gia mạch đo, trừ khi các bộ phận và dây dẫn đó cũng thoả mãn các yêu cầu về cách ly trong 2.3.1.
Nhà sản xuất thiết bị phải quy định:
- Sử dụng phép thử xung 2.3.2.1 hay phép thử độ bền điện 2.3.2.2;
- Thử thiết bị hoàn chỉnh hay thử một bộ phận.
Phép thử 2.3.2.1 và 2.3.2.2 sử dụng mạch đo như trong Hình 6.
Trong các phép thử, tất cả các dây dẫn nối với mạng viễn thông được nối với nhau (xem Hình 6), bao gồm cả các dây dẫn mà nhà quản lý mạng viễn thông yêu cầu nối với đất. Tương tự, tất cả các dây dẫn nối với các thiết bị khác đều được nối với nhau trong trường hợp (c).
Các bộ phận không dẫn điện được thử bằng cách gắn một lá kim loại vào bề mặt. Nếu sử dụng lá kim loại có chất dính, chất dính đó phải là chất dẫn điện.

# 2.3.2.1. Phép thử xung
(a) Mục đích phép thử
Mục đích của phép thử xung là kiểm tra khả năng chịu đựng của lớp cách ly giữa mạch TNV với các bộ phận của thiết bị đối với điện áp xung.
(b) Phương pháp thử
Đưa 10 xung thử từ bộ tạo xung thử (Phụ lục B) vào các điểm cần thử (xem sơ đồ Hình 6). Khoảng cách giữa hai xung liên tiếp là 60 s và điện áp ban đầu Uc, là:
- Đối với trường hợp (a) của 3.3.1: 2,5 kV;
- Đối với trường hợp (b) và (c): 1,5 kV.
CHÚ THÍCH: Giá trị 2,5 kV trong trường hợp (a) được chọn để đảm bảo khả năng cách điện, không cần mô phỏng các hiện tượng quá áp.
(c) Tiêu chí tuân thủ
- Khi thực hiện phép thử xung, không được xảy ra hiện tượng đánh thủng lớp cách điện. Hiện tượng đánh thủng lớp cách điện được coi là xảy ra khi dòng chạy qua mạch do điện áp thử đưa vào tăng lên nhanh chóng, không kiểm soát được, có nghĩa là lớp cách điện không hạn chế được dòng chạy qua.
- Trong khi thực hiện phép thử, nếu bộ triệt xung hoạt động (hoặc xảy ra sự đánh lửa bên trong ống phóng khí) chứng tỏ:
+ Đối với trường hợp (a) của 2.3.1, đã có sự đánh thủng;
+ Đối với trường hợp (b) và (c), hoạt động này được chấp nhận.
- Đối với các phép thử xung, sự hư hỏng của lớp cách điện có thể được kiểm tra bằng phép thử điện trở lớp cách điện. Điện áp thử là 500 V một chiều hoặc khi có các bộ triệt xung, điện áp thử một chiều có giá trị nhỏ hơn 10% so với điện áp hoạt động hoặc điện áp phóng của bộ triệt xung. Điện trở lớp cách điện không được nhỏ hơn 2 MΩ. Có thể tháo bỏ các bộ triệt xung khi đo điện trở lớp cách điện.
CHÚ THÍCH:
Một cách khác để kiểm tra hoạt động của bộ triệt xung hoặc hiện tượng đánh thủng lớp cách điện là quan sát dạng sóng trên thiết bị hiện sóng.
# 2.3.2.2. Phép thử độ bền điện
(a) Mục đích phép thử
Mục đích của phép thử độ bền điện là đánh giá độ bền điện của lớp cách ly giữa mạch TNV với các bộ phận của thiết bị.
(b) Phương pháp thử
Tác động vào lớp cách điện bằng điện áp xoay chiều hình sin tần số 50/60 Hz, hoặc điện áp một chiều bằng giá trị đỉnh của điện áp xoay chiều nói trên. Thời gian tác động là 60 s.
Các điện áp thử xoay chiều là:
- Đối với trường hợp (a) của 3.3.1: 1,5 kV;
- Đối với trường hợp (b) và (c): 1,0 kV.
Điện áp tăng đều từ 0 đến điện áp nói trên và sau đó giữ tại giá trị này trong 60 s.
CHÚ THÍCH: Nếu có các tụ điện mắc qua lớp cách điện được thử, nên sử dụng điện áp thử một chiều.
Trong trường hợp (b) và (c), có thể tháo bỏ các bộ triệt xung nếu các dụng cụ này đã qua phép thử xung trong 2.3.2.1 đối với các trường hợp (b) và (c) khi được thử như các cấu kiện hoặc bộ phận rời của thiết bị.
(c) Tiêu chí tuân thủ
- Khi thực hiện phép thử độ bền điện, không được xảy ra hiện tượng đánh thủng lớp cách điện. Hiện tượng đánh thủng lớp cách điện được coi là xảy ra khi dòng chạy qua mạch do điện áp thử đưa vào tăng lên nhanh chóng, không kiểm soát được, có nghĩa là lớp cách điện không hạn chế được dòng chạy qua.
- Trong khi thực hiện phép thử, nếu bộ triệt xung hoạt động (hoặc xảy ra sự đánh lửa bên trong ống phóng khí), thì:
+ Trong trường hợp (a) của 2.3.1: hiện tượng đó cho thấy đã có hư hỏng;
+ Trong trường hợp (b) và (c): hiện tượng đó (do bất cứ bộ triệt xung nào trong mạch thử) cho thấy có sự hư hỏng.
CHÚ THÍCH: Một cách khác để kiểm tra hoạt động của bộ triệt xung hoặc hiện tượng đánh thủng lớp cách điện là quan sát dạng sóng trên thiết bị hiện sóng.
# 2.4. Yêu cầu an toàn điện cho bản thân thiết bị đầu cuối viễn thông
# 2.4.1. Các yêu cầu chung
# 2.4.1.1. Cấu trúc và thiết kế của thiết bị
Thiết bị cần được thiết kế và có cấu tạo sao cho ở các điều kiện làm việc bình thường hay ở điều kiện hỏng hoặc có lỗi thiết bị vẫn bảo vệ người sử dụng tránh các rủi ro do điện giật và các nguy hiểm khác trong thiết bị theo quy định của Quy chuẩn này.
Nếu các phương pháp, các loại vật liệu hay các công nghệ cấu tạo nên thiết bị không được quy định cụ thể, thiết bị phải có mức an toàn không thấp hơn mức quy định trong Quy chuẩn này.
# 2.4.1.2. Các thông tin cung cấp cho người sử dụng
Các thông tin chi tiết cần được cung cấp cho người sử dụng để khi sử dụng thiết bị theo hướng dẫn của nhà sản xuất, sẽ không xảy ra các nguy hiểm.
# 2.4.1.3. Phân loại thiết bị
Thiết bị được phân loại theo cách bảo vệ chống điện giật của nó, bao gồm:
- Thiết bị loại I;
- Thiết bị loại II;
- Thiết bị loại III.
CHÚ THÍCH: Thiết bị có chứa các mạch ELV hay các bộ phận có điện áp nguy hiểm là thiết bị loại I hoặc thiết bị loại II. Quy chuẩn này không quy định các yêu cầu về bảo vệ chống điện giật cho thiết bị loại III.
# 2.4.2. Giao diện nguồn
# 2.4.2.1. Dòng điện đầu vào
Ở điều kiện hoạt động với tải thường, dòng đầu vào bão hoà của thiết bị không được vượt quá 10% so với giá trị dòng điện danh định.
# 2.4.2.2. Giới hạn điện áp của các thiết bị cầm tay
Điện áp danh định của thiết bị cầm tay không được vượt quá 250 V.
# 2.4.2.3. Dây trung tính
Nếu có dây trung tính, nó cần phải được cách ly với đất và với phần thân của thiết bị như các dây pha. Điện áp làm việc của các bộ phận nối giữa trung tính và đất phải bằng điện áp pha - trung tính.
# 2.4.2.4. Các bộ phận trong thiết bị dùng nguồn IT
Đối với các thiết bị dùng hệ thống nguồn IT, các bộ phận nối giữa dây pha và đất cần có khả năng chịu đựng đối với điện áp làm việc bằng điện áp pha - pha. Tuy nhiên, có thể sử dụng các tụ điện thoả mãn một trong các tiêu chuẩn sau, nếu chúng thích hợp với điện áp pha - trung tính.
- Tiêu chuẩn IEC 384-14:1981;
- Tiêu chuẩn IEC 384-14:1993, mục Y1, Y2 hoặc Y4.
CHÚ THÍCH: Các tụ kiểu này được thử khả năng chịu đựng ở mức điện áp bằng 1,7 lần điện áp danh định.
# 2.4.2.5. Dung sai nguồn
Thiết bị được cung cấp nguồn trực tiếp cần được thiết kế với dung sai nguồn là +6% và -10%. Nếu điện áp danh định là 230 V một pha hoặc 400 V ba pha, thiết bị phải hoạt động an toàn trong khoảng dung sai nguồn nhỏ nhất là +10% và -10%.
# 2.4.3. Bảo vệ để tránh các nguy hiểm
# 2.4.3.1. Bảo vệ khỏi điện giật và các nguy hiểm về năng lượng
# 2.4.3.1.1. Tiếp cận các bộ phận có năng lượng
Quy chuẩn này quy định các yêu cầu đối với việc bảo vệ chống điện giật do các bộ phận có năng lượng gây ra, dựa trên nguyên tắc người vận hành được phép tiếp cận với:
- Các phần hở của các mạch SELV;
- Các phần hở của các mạch giới hạn dòng;
- Các mạch TNV ở các điều kiện quy định trong 3.1.3.
Việc tiếp cận với các bộ phận và dây có năng lượng khác cũng như lớp cách điện của chúng được hạn chế theo quy định trong 2.4.3.1.2 và 2.4.3.1.3.
Các yêu cầu bổ sung để tránh các năng lượng nguy hiểm được quy định trong 2.4.3.1.4 và 2.4.3.1.5.
# 2.4.3.1.2. Bảo vệ trong vùng tiếp cận của người vận hành
Thiết bị phải có cấu trúc sao cho trong vùng tiếp cận, người vận hành được bảo vệ khi tiếp xúc với:
- Các bộ phận hở của mạch ELV hay các bộ phận hở có điện áp nguy hiểm;
- Các bộ phận của mạch ELV hay các bộ phận có điện áp nguy hiểm chỉ được bảo vệ bằng sơn, men, giấy thường, bông, bọt hay các hợp chất kín trừ nhựa tự cứng;
- Lớp cách điện cơ bản và cách điện công tác của các bộ phận hay các dây điện trong mạch ELV hoặc mạch có điện áp nguy hiểm, trừ những trường hợp cho phép trong 2.4.3.1.3;
- Các bộ phận dẫn điện chưa nối đất, cách ly với các mạch ELV hoặc các bộ phận có điện áp nguy hiểm chỉ bằng lớp cách điện cơ bản và công tác.
Yêu cầu này áp dụng cho tất cả các vị trí của thiết bị khi thiết bị đã được nối vào mạng và hoạt động bình thường.
Việc bảo vệ phải được thực hiện bằng lớp cách điện hoặc tấm chắn, hoặc sử dụng khoá an toàn.
# 2.4.3.1.3. Tiếp cận với mạng dây điện bên trong
2.4.3.1.3.1. Mạch ELV
Người vận hành được phép tiếp cận lớp cách điện của mạng dây điện trong mạch ELV với điều kiện:
a) Người vận hành không cần cầm, nắm vào dây điện;
b) Mạng dây điện được bố trí và cố định sao cho không chạm vào các bộ phận dẫn điện chưa nối đất;
c) Khoảng cách qua lớp cách điện của mạng dây không nhỏ hơn các giá trị cho trong Bảng 2;
| Điện áp làm việc (trong trường hợp lỗi cách điện cơ bản) | Khoảng cách qua lớp cách điện tối thiểu | |
|---|---|---|
| V đỉnh hoặc một chiều | V r.m.s (không phải dạng hình sin) | mm |
| Trên 71, dưới 350 Trên 350 | Trên 50, dưới 250 Trên 250 | 0,17 0,31 |
d) Thỏa mãn các yêu cầu đối với cách điện bổ sung.
Khi mạng dây điện trong mạch ELV không thỏa mãn cả hai điều kiện a) và b), lớp cách điện phải thoả mãn tất cả các yêu cầu đối với lớp cách điện bổ sung và phải chịu được phép thử độ bền điện trong 3.3.2.2.
2.4.3.1.3.2. Các mạch có điện áp nguy hiểm
Lớp cách điện của mạng dây có điện áp nguy hiểm không nối đất mà người vận hành có thể tiếp cận hoặc chạm vào phải thoả mãn các yêu cầu đối với lớp cách điện kép hoặc cách điện tăng cường.
# 2.4.3.1.4. Bảo vệ trong vùng tiếp cận và vùng hạn chế tiếp cận
2.4.3.1.4.1. Bảo vệ trong vùng tiếp cận của người phục vụ
Trong vùng tiếp cận của người phục vụ, cần áp dụng các yêu cầu sau đây:
- Các bộ phận hở có điện áp nguy hiểm cần được sắp đặt và che chắn để tránh việc tiếp xúc một cách vô tình trong khi làm việc với các bộ phận khác của thiết bị.
- Quy chuẩn này không quy định về việc tiếp cận với các mạch ELV hay các mạch TNV.
- Khi xem xét việc tiếp xúc vô tình với các bộ phận hở có khả năng xảy ra hay không, cần quan tâm đến cách người phục vụ đã tiếp cận hoặc đến gần các bộ phận hở để làm việc với các bộ phận khác.
- Các bộ phận hở có năng lượng nguy hiểm (xem 2.4.3.1.5) cần được sắp đặt và che chắn để tránh xảy ra việc chạm chập do các vật liệu dẫn điện có thể vô tình xảy ra khi làm việc với các bộ phận khác của thiết bị.
Tất cả các lớp che chắn nhằm tuân thủ các yêu cầu trong mục này phải dễ dàng tháo bỏ hoặc thay thế, nếu việc tháo bỏ là cần thiết trong công tác của người phục vụ.
2.4.3.1.4.2. Bảo vệ trong vùng hạn chế tiếp cận
Thiết bị lắp đặt trong vùng hạn chế tiếp cận phải thoả mãn các yêu cầu đối với vùng tiếp cận của người vận hành trừ các điểm cho phép trong 3.1.3 và hai yêu cầu sau đây:
- Đối với mạch thứ cấp có điện áp nguy hiểm dùng để cấp điện cho bộ tạo tín hiệu chuông theo như 3.1.2.1(b), được phép tiếp cận với các bộ phận hở của mạch bằng đầu thử (Phụ lục D). Tuy nhiên, các bộ phận này cần được sắp đặt và che chắn để tránh việc tiếp xúc một cách vô tình. Khi xem xét việc tiếp xúc vô tình với các bộ phận hở có khả năng xảy ra hay không, cần quan tâm đến cách người phục vụ tiếp cận hoặc đến gần các bộ phận hở có điện áp nguy hiểm.
- Các bộ phận hở có năng lượng nguy hiểm (xem 2.4.3.1.5) cần được sắp đặt và bảo vệ sao cho các vật liệu dẫn điện không bị chập một cách vô tình.
# 2.4.3.1.5. Các năng lượng nguy hiểm trong vùng tiếp cận của người vận hành
Không được phép có năng lượng nguy hiểm trong vùng tiếp cận của người vận hành.
# 2.4.3.1.6. Khoảng hở phía sau lớp vỏ dẫn điện (dù đã nối đất hay không) không được giảm đến mức có thể gây ra sự tăng mức năng lượng nguy hiểm mà vẫn có thể thực hiện phép thử
# 2.4.3.1.7. Tay cầm của các nút vận hành, các tay nắm, các đòn bẩy và những thứ tương tự không được nối với các mạch có điện áp nguy hiểm hoặc mạch ELV
# 2.4.3.1.8. Các tay nắm dẫn điện, nút điều khiển và những thứ tương tự sử dụng bằng tay và chỉ được nối đất qua một trục hay một lớp đệm phải là một trong số các loại sau
- Được cách ly khỏi điện áp nguy hiểm một khoảng bằng phần hở của lớp cách điện kép hoặc cách điện tăng cường;
- Được bọc bằng lớp cách điện bổ sung trên các phần có thể tiếp cận.
# 2.4.3.1.9. Vỏ bọc dẫn điện của các tụ điện trong mạch ELV hoặc mạch điện áp nguy hiểm không được nối với các bộ phận dẫn điện không nối đất trong vùng tiếp cận của người vận hành. Chúng cần được cách ly với các bộ phận này bằng lớp cách điện bổ sung hoặc bằng một thanh kim loại đã nối đất
# 2.4.3.1.10. Thiết bị cần được thiết kế sao cho khi đã ngắt khỏi nguồn chính, không xảy ra điện giật do điện tích trên các tụ nối với mạch nguồn
# 2.4.3.2. Cách điện
# 2.4.3.2.1. Các phương pháp cách điện
Việc cách điện phải được thực hiện bằng một trong hai hoặc kết hợp cả hai cách sau đây:
- Sử dụng các vật liệu cách điện dạng đặc hoặc dạng lá có đủ độ dày và khe hở trên bề mặt;
- Có khoảng hở không khí đủ lớn.
# 2.4.3.2.2. Các đặc tính của vật liệu cách điện
Khi lựa chọn và sử dụng các vật liệu cách điện cần chú ý đến các yêu cầu về độ bền cách điện, độ bền nhiệt và độ bền cơ khí, tần số của điện áp làm việc và môi trường làm việc (nhiệt độ, áp suất, độ ẩm và mức ô nhiễm).
Không dùng cao su tự nhiên, vật liệu chứa amiang hoặc vật liệu có tính hút ẩm làm lớp cách điện.
# 2.4.3.2.3. Các yêu cầu đối với lớp cách điện
Lớp cách điện trong thiết bị cần thoả mãn các yêu cầu về nhiệt độ khi làm việc và các yêu cầu sau, trừ khi áp dụng 2.4.3.1.3:
- Các yêu cầu về độ bền điện;
- Các yêu cầu về khe hở, khoảng hở bề mặt và khoảng cách qua lớp cách điện.
# 2.4.3.2.4. Các tham số của lớp cách điện
Để xác định các điện áp thử, khe hở, khoảng hở và khoảng cách qua lớp cách điện, cần xem xét hai tham số sau:
- ứng dụng của lớp cách điện (xem 2.4.3.2.5);
- điện áp làm việc của lớp cách điện (xem 2.4.3.2.6).
# 2.4.3.2.5. Phân loại các lớp cách điện
Theo chức năng và cấu tạo, các lớp cách điện được xem xét theo các dạng: công tác, cơ bản, bổ sung, tăng cường và cách điện kép.
Việc sử dụng các loại cách điện trong một số trường hợp được cho trong Bảng 3 và được mô tả trong Hình 7. Trong nhiều trường hợp, cách điện có thể được nối tắt bằng một đường dẫn điện, ví dụ như khi dùng trong 2.4.3.2.7, 2.4.3.3.5, 2.4.3.4.6 hay 3.1.2.5 nếu duy trì được mức độ an toàn.
Đối với cách điện kép, có thể chuyển đổi giữa các phần tử cơ bản và các phần tử bổ sung. Khi sử dụng cách điện kép có thể dùng các mạch ELV hay các bộ phận dẫn điện không nối đất giữa cách điện cơ bản và cách điện bổ sung, nếu duy trì được mức cách điện tổng.
| Loại cách điện | Cách điện | Mã trong Hình 7 | |
|---|---|---|---|
| giữa: | với: | ||
| 1. Công tác | Mạch SELV | - Bộ phận dẫn điện nối đất - Bộ phận dẫn điện cách điện kép - Mạch SELV khác | OP1 OP2 OP1 |
| Mạch ELV | - Bộ phận dẫn điện nối đất - Mạch SELV nối đất - Bộ phận dẫn điện cách điện cơ bản - Mạch ELV khác | OP3 OP3 OP4 OP1 | |
| Mạch thứ cấp có điện áp nguy hiểm, nối đất | - Mạch thứ cấp có điện áp nguy hiểm nối đất khác | OP5 | |
| Mạch TNV | - Bộ phận dẫn điện nối đất - Mạch SELV nối đất - Mạch TNV khác cùng loại | OP1 OP6 | |
| Các bộ phận nối tiếp/song song của cuộn biến áp | |||
| 2. Cơ bản | Mạch sơ cấp | - Mạch thứ cấp có điện áp nguy hiểm nối đất hoặc không nối đất - Bộ phận dẫn điện nối đất - Mạch SELV nối đất - Bộ phận dẫn điện cách điện cơ bản - Mạch ELV | B1 B2 B2 B3 B3 |
| Mạch thứ cấp có điện áp nguy hiểm nối đất hoặc không nối đất | - Mạch thứ cấp có điện áp nguy hiểm không nối đất - Bộ phận dẫn điện nối đất - Mạch SELV nối đất - Bộ phận dẫn điện cách điện cơ bản - Mạch ELV | B4 B5 B5 B6 B6 | |
| Mạch TNV | - Bộ phận dẫn điện cách điện kép - Mạch SELV không nối đất - Bộ phận dẫn điện nối đất - Mạch SELV nối đất | B7 B7 B8 B8 | |
| 3. Bổ sung | Các bộ phận dẫn điện cách điện cơ bản hoặc mạch ELV | - Bộ phận dẫn điện cách điện kép - Mạch SELV không nối đất | S1 S1 |
| Mạch TNV | - Bộ phận dẫn điện cách điện cơ bản - Mạch ELV | S2 S2 | |
| 4. Bổ sung hoặc tăng cường | Mạch thứ cấp có điện áp nguy hiểm không nối đất | - Bộ phận dẫn điện cách điện kép - Mạch SELV không nối đất - Mạch TNV | S/R S/R S/R |
| 5.Tăng cường | Mạch sơ cấp | - Bộ phận dẫn điện cách điện kép - Mạch SELV không nối đất - Mạch TNV | R1 R1 R2 |
| Mạch thứ cấp có điện áp nguy hiểm được nối đất | - Bộ phận dẫn điện cách điện kép - Mạch SELV không nối đất - Mạch TNV | R3 R3 R4 | |
![]() | |
|---|---|
| OP - Cách điện công tác | R - Cách điện tăng cường |
| S - Cách điện bổ sung | B - Cách điện cơ bản |
Hình 7 - Các ví dụ về việc ứng dụng của lớp cách điện | |
# 2.4.3.2.6. Xác định điện áp làm việc
Để xác định điện áp làm việc, cần áp dụng các nguyên tắc trong 2.4.3.2.6.1, và các nguyên tắc trong 2.4.3.2.6.2, 2.4.3.2.6.3, 2.4.3.2.6.4 và 2.4.3.2.6.5, nếu cần.
CHÚ THÍCH: Các điện áp làm việc trong nguồn chuyển mạch (switch), được xác định tốt nhất bằng cách đo đạc.
2.4.3.2.6.1. Các nguyên tắc chung
Để xác định điện áp làm việc giữa một mạch sơ cấp và mạch thứ cấp hoặc đất cần sử dụng giá trị điện áp danh định và giá trị cực đại của dải điện áp danh định.
Các bộ phận dẫn điện có thể tiếp xúc mà chưa nối đất, cần được giả thiết là đã nối đất.
Khi cuộn biến áp hay các phần khác ở chế độ thả nổi (floating), nghĩa là không nối với mạch thiết lập thế tương đối với đất thì nó cần phải được giả thiết đã nối đất ở điểm tại đó đạt được điện áp làm việc cao nhất.
Khi sử dụng cách điện kép, điện áp làm việc qua cách điện cơ bản cần được xác định bằng cách giả thiết ngắn mạch qua cách điện bổ sung và ngược lại. Đối với cách điện giữa các cuộn dây biến áp, phải giả thiết ngắn mạch xảy ra ở điểm có điện áp làm việc cao nhất sinh ra ở lớp cách điện khác.
Đối với lớp cách điện giữa hai cuộn dây biến áp, phải sử dụng điện áp cao nhất giữa hai điểm trên hai cuộn dây, đồng thời cần chú ý đến các điện áp ngoài mà cuộn dây nối tới.
Đối với lớp cách điện giữa một cuộn dây biến áp và một bộ phận khác, phải sử dụng điện áp cao nhất giữa bất cứ điểm nào trên cuộn dây và bộ phận đó.
2.4.3.2.6.2. Khoảng hở trong mạch sơ cấp
Khi sử dụng điện áp làm việc để xác định khoảng hở đối với mạch sơ cấp:
- Đối với điện áp một chiều, cần xét cả giá trị đỉnh của các sóng bội;
- Cần bỏ qua các đột biến không có tính lặp đi lặp lại (ví dụ, nhiễu khí quyển);
CHÚ THÍCH: Giả thiết rằng các hiệu ứng đột biến này trong mạch thứ cấp không vượt quá mức đột biến trong mạch sơ cấp.
- Điện áp của mạch ELV, SELV và TNV coi như có giá trị 0;
- Đối với các điện áp đỉnh có tính lặp đi lặp lại vượt quá các giá trị đỉnh của điện áp nguồn, cần sử dụng giá trị đỉnh đặc trưng lớn nhất.
2.4.3.2.6.3. Khoảng hở trong mạch thứ cấp
Đối với điện áp làm việc dùng để xác định khoảng hở đối với mạch thứ cấp:
- Đối với điện áp một chiều, cần xét cả giá trị đỉnh của sóng bội;
- Đối với dạng sóng không phải dạng hình sin, phải sử dụng các giá trị đỉnh.
2.4.3.2.6.4. Khe hở
Khi sử dụng điện áp làm việc để xác định khe hở:
- Cần sử dụng các giá trị hiệu dụng hoặc giá trị một chiều;
- Nếu sử dụng giá trị một chiều, phải bỏ qua các sóng bội;
- Bỏ qua các điều kiện ngắn hạn (ví dụ, trong tín hiệu chuông nhịp ở mạch TNV).
2.4.3.2.6.5. Các phép thử độ bền điện
Các giá trị điện áp làm việc dùng để xác định các điện áp thử độ bền điện trong 3.3.2.2 cần là giá trị một chiều đối với điện áp một chiều và là giá trị đỉnh đối với các giá trị điện áp khác.
# 2.4.3.2.7. Các thành phần nối tắt cách điện kép hay cách điện tăng cường
2.4.3.2.7.1. Các tụ nối
Có thể nối tắt lớp cách điện kép hay cách điện tăng cường bằng:
- Một tụ đơn thoả mãn tiêu chuẩn IEC384-14:1993, phần Y1; hoặc
- Hai tụ nối tiếp, cả hai thoả mãn tiêu chuẩn IEC 384-14:1981, loại U hay Y; hoặc IEC 384-14:1993, loại Y2 hay Y4.
Khi dùng hai tụ nối tiếp, chúng cần được đánh giá với điện áp làm việc tổng trên đôi tụ và hai tụ này cần có giá trị điện dung danh định như nhau.
2.4.3.2.7.2. Các điện trở nối
Có thể nối tắt cách điện kép và cách điện tăng cường bằng các điện trở mắc nối tiếp. Các điện trở này cần có giá trị điện trở danh định như nhau.
2.4.3.2.7.3. Các bộ phận có thể tiếp cận
Khi các bộ phận dẫn điện có thể tiếp cận hoặc các mạch được cách ly với các bộ phận khác bằng cách điện kép hay cách điện tăng cường và chúng được nối tắt bởi các linh kiện theo 2.4.3.2.7.1 và 2.4.3.2.7.2, các bộ phận có thể tiếp cận cần thoả mãn các yêu cầu trong 2.4.3.4. Những yêu cầu này áp dụng sau khi thử độ bền điện của lớp cách điện.
# 2.4.3.3. Mạch SELV
# 2.4.3.3.1. Các yêu cầu chung
Các mạch SELV phải có điện áp an toàn khi chạm vào cả khi hoạt động bình thường và khi có hỏng đơn, ví dụ như thủng một lớp của cách điện cơ bản hay hỏng ở một bộ phận.
Nếu dùng mạch SELV để nối với mạng viễn thông, cần xem xét cả các điện áp sinh ra bên trong và bên ngoài của thiết bị khi thiết bị hoạt động bình thường, bao gồm cả các tín hiệu chuông. Không cần xem xét đến hiện tượng thế đất tăng và các điện áp cảm ứng từ đường điện nguồn và từ các đường dây tải điện vào mạng viễn thông.
# 2.4.3.3.2. Điện áp ở các điều kiện bình thường
Trong một hoặc nhiều mạch SELV nối với nhau, ở các điều kiện hoạt động bình thường, điện áp giữa hai dây dẫn bất kỳ và điện áp giữa một dây dẫn bất kỳ và đất bảo vệ của thiết bị (đối với thiết bị loại I) không được vượt quá 42,4 V xoay chiều đỉnh hay 60 V một chiều.
CHÚ THÍCH: Mạch thoả mãn các yêu cầu trên nhưng phải chịu quá áp từ mạng viễn thông là một mạch TNV-1.
# 2.4.3.3.3. Điện áp ở điều kiện lỗi
Trừ các trường hợp cho phép trong 3.1.2.2, khi lớp cách điện cơ bản hoặc lớp cách điện bổ sung hoặc một bộ phận (trừ các bộ phận có cách điện kép và cách điện tăng cường) bị hỏng đơn, điện áp của một mạch SELV không được vượt quá 42,4 V xoay chiều đỉnh hoặc 60 V một chiều trong thời gian quá 0,2 s. Đồng thời, các giá trị này không được vượt quá giới hạn 71 V xoay chiều đỉnh hoặc 120 V một chiều.
Trừ các trường hợp cho phép trong 2.4.3.3.5, cần phải sử dụng một trong các phương pháp như trình bày trong 2.4.3.3.3.1, 2.4.3.3.3.2 hoặc 2.4.3.3.3.3.
Trong một mạch đơn (ví dụ mạch chỉnh lưu - biến áp), người vận hành có thể tiếp cận với các bộ phận thoả mãn tất cả các yêu cầu đối với mạch SELV. Các bộ phận khác của một mạch tương tự không thoả mãn tất cả các yêu cầu đối với mạch SELV thì người vận hành không được phép tiếp cận.
CHÚ THÍCH:
- Các bộ phận khác nhau của mạch SELV có thể được bảo vệ bằng các phương pháp khác nhau, ví dụ:
+ Phương pháp 2 trong biến áp nguồn có chỉnh lưu cầu;
+ Phương pháp 1 đối với mạch thứ cấp AC;
+ Phương pháp 3 ở đầu ra của chỉnh lưu cầu.
- Ở các điều kiện bình thường, giới hạn điện áp của mạch SELV như của mạch ELV; một mạch SELV có thể coi là một mạch ELV có bảo vệ bổ sung ở các điều kiện lỗi.
2.4.3.3.3.1. Cách ly bằng cách điện kép hoặc cách điện tăng cường (phương pháp 1)
Khi một mạch SELV chỉ cách ly với các mạch khác bằng cách điện kép hoặc cách điện tăng cường, cần phải dùng một trong các cấu trúc sau:
- Cách ly cố định bằng hàng rào;
- Giữa các mạng dây kề nhau có lớp cách điện và đã được kiểm tra, đánh giá với điện áp làm việc cao nhất;
- Mạng dây của mạch SELV hoặc các mạch khác có lớp cách điện thoả mãn các yêu cầu đối với lớp cách điện bổ sung hoặc cách điện tăng cường ở điện áp làm việc cao nhất;
- Mạng dây của mạch SELV hoặc các mạch khác có lớp cách điện bổ sung bên ngoài;
- Hai biến áp riêng rẽ nối tiếp nhau, trong đó một biến áp có cách điện cơ bản và một biến áp có cách điện bổ sung;
- Sử dụng các phương tiện khác có hiệu quả cách điện tương đương.
2.4.3.3.3.2. Cách ly bằng tấm chắn đã nối đất (phương pháp 2)
Khi các mạch SELV đã cách ly khỏi các bộ phận có điện áp nguy hiểm bằng tấm chắn nối đất hoặc các bộ phận dẫn điện đã nối đất khác, các bộ phận có điện áp nguy hiểm cần được cách ly với các bộ phận đã nối đất bằng ít nhất một lớp cách điện cơ bản. Các bộ phận đã nối đất này phải thoả mãn các yêu cầu trong 2.4.3.5.
2.4.3.3.3.3. Bảo vệ bằng cách nối đất mạch SELV (phương pháp 3)
Các bộ phận của mạch SELV được bảo vệ bằng cách nối đất phải được nối với đất bảo vệ sao cho trở kháng mạch tương đối hoặc hoạt động của thiết bị bảo vệ hoặc cả hai đều thoả mãn các yêu cầu trong 2.4.3.3.3. Các bộ phận này cũng cần được cách ly với các bộ phận của các mạch khác (trừ mạch SELV) bằng ít nhất một lớp cách điện cơ bản. Mạch SELV phải có dung lượng mang dòng rò đủ để đảm bảo cho hoạt động của thiết bị bảo vệ (nếu có) và để đảm bảo không có dòng rò đến đất.
# 2.4.3.3.4. Các yêu cầu về cấu trúc bổ sung
Thiết bị cần phải được cấu trúc như sau:
- Các kết cuối báo chuông và tương tự cần đảm bảo tránh xoay chuyển vì điều đó có thể làm giảm khoảng hở giữa các mạch SELV và các bộ phận có điện áp nguy hiểm xuống dưới các giá trị tối thiểu đã được quy định;
- Trong các ổ cắm, phích cắm nhiều đường và những nơi có thể xảy ra ngắn mạch phải có các biện pháp để tránh sự tiếp xúc giữa các mạch SELV và các bộ phận có điện áp nguy hiểm do việc ngắt kết cuối hoặc do đứt dây tại điểm kết cuối;
- Các bộ phận không được cách điện, có điện áp nguy hiểm cần được sắp đặt và bảo vệ để tránh xảy ra ngắn mạch đối với mạch SELV, ví dụ khi người phục vụ sử dụng các công cụ hay các que thử;
- Các mạch SELV không được dùng các đầu nối như quy định trong tiêu chuẩn IEC83 hay IEC320.
# 2.4.3.3.5. Nối mạch SELV với các mạch khác
Các mạch SELV được phép lấy nguồn từ các mạch khác hoặc nối với các mạch khác nếu chúng thoả mãn các điều kiện sau đây:
- Mạch SELV được cách ly với mạch sơ cấp (cả thành phần trung tính) trong thiết bị bằng ít nhất một lớp cách điện cơ bản, trừ những trường hợp quy định trong trong 2.4.3.2.7 và 2.4.3.4.6;
- Mạch SELV thỏa mãn các giới hạn trong 2.4.3.3.2 ở điều kiện hoạt động bình thường;
- Mạch SELV thoả mãn các quy định trong 2.4.3.3.3 khi mạch SELV hoặc mạch thứ cấp nối với nó có hỏng đơn, trừ các trường hợp quy định trong 3.1.2.2.
Nếu mạch SELV nối với một hoặc nhiều mạch khác, mạch SELV phải thoả mãn các yêu cầu trong 2.4.3.3.2 và 2.4.3.3.3.
Khi mạch SELV lấy nguồn từ một mạch thứ cấp, mạch thứ cấp này được cách ly với mạch có điện áp nguy hiểm bằng một trong các phương pháp:
- Sử dụng cách điện kép hoặc cách điện tăng cường;
- Sử dụng tấm chắn dẫn điện đã nối đất, cách ly với mạch có điện áp nguy hiểm bằng cách điện cơ bản thì mạch SELV được coi là đã cách ly với mạch sơ cấp hay mạch có điện áp nguy hiểm khác bằng phương pháp đó.
# 2.4.3.4. Các mạch giới hạn dòng
# 2.4.3.4.1. Các mạch giới hạn dòng cần được thiết kế sao cho không vượt quá các giới hạn quy định trong 2.4.3.4.2, 2.4.3.4.3, 2.4.3.4.4 và 2.4.3.4.5 ở điều kiện làm việc bình thường và khi vỡ lớp cách điện cơ bản hay hỏng đơn của bộ phận và các lỗi do hậu quả trực tiếp của các lỗi này
Trừ các trường hợp quy định trong 2.4.3.4.6, việc cách ly các bộ phận của mạch giới hạn dòng với các mạch khác tương tự như đối với mạch SELV trong 2.4.3.3.
# 2.4.3.4.2. Đối với các tần số không vượt quá 1 kHz, dòng ở trạng thái tĩnh qua một điện trở thuần 2000 Ω nối giữa hai bộ phận của mạch giới hạn dòng hoặc giữa một bộ phận và đất bảo vệ thiết bị, không được vượt quá 0,7 mA xoay chiều đỉnh hay 2 mA một chiều. Đối với các tần số trên 1 kHz, giới hạn 0,7 mA được nhân với giá trị tần số tính bằng kHz nhưng không được vượt quá 70 mA đỉnh
# 2.4.3.4.3. Đối với các bộ phận có điện áp không vượt quá 450 V xoay chiều đỉnh hoặc một chiều, điện dung mạch không được vượt quá 0,1 μF
# 2.4.3.4.4. Đối với các bộ phận có điện áp vượt quá 450 V xoay chiều đỉnh hay một chiều nhưng không quá 15000 V xoay chiều đỉnh hay một chiều, lượng điện tích nạp không quá 45 μC
# 2.4.3.4.5. Đối với các bộ phận có điện áp vượt quá 15000 V xoay chiều đỉnh hay một chiều, mức năng lượng không được vượt quá 350 mJ
# 2.4.3.4.6. Mạch giới hạn dòng có thể nối với các mạch khác hoặc lấy nguồn từ các mạch khác nếu thỏa mãn các điều kiện dưới đây
- Mạch giới hạn dòng thoả mãn các giới hạn trong 2.4.3.4.2, 2.4.3.4.3, 2.4.3.4.4 và 2.4.3.4.5 ở điều kiện hoạt động bình thường;
- Trong trường hợp có hỏng đơn trong một bộ phận hay lớp cách điện trong mạch giới hạn dòng hoặc trong một bộ phận hay lớp cách điện trong các mạch nối với nó, mạch giới hạn dòng vẫn thoả mãn các giới hạn trong 2.4.3.4.2, 2.4.3.4.3, 2.4.3.4.4 và 2.4.3.4.5.
Nếu một mạch giới hạn dòng nối với một hoặc nhiều mạch khác, mạch giới hạn dòng phải thỏa mãn các yêu cầu trong 2.4.3.4.1.
# 2.4.3.5. Các điều khoản đối với việc nối đất
# 2.4.3.5.1. Thiết bị loại I
Các bộ phận dẫn điện có thể tiếp cận của thiết bị loại I, có thể mang điện áp nguy hiểm trong trường hợp lớp cách điện hỏng đơn, phải được nối với đất bảo vệ trong thiết bị.
Trong vùng tiếp cận của người phục vụ, nơi các bộ phận dẫn điện có điện áp nguy hiểm khi có lỗi trong lớp cách điện đơn, các bộ phận này phải được nối với đất bảo vệ hoặc nếu không thể thực hiện được, phải có cảnh báo đối với người phục vụ là những bộ phận này chưa được nối đất và cần kiểm tra điện áp nguy hiểm trước khi chạm vào.
Yêu cầu này không áp dụng với các bộ phận dẫn điện có thể tiếp cận đã cách ly với các bộ phận có điện áp nguy hiểm bằng một trong hai cách sau đây:
- Nối đất các bộ phận kim loại;
- Sử dụng lớp cách điện đặc hoặc khe không khí, hoặc kết hợp cả hai, thoả mãn các yêu cầu đối với cách điện kép hoặc cách điện tăng cường.
# 2.4.3.5.2. Thiết bị loại II
# Đối với thiết bị loại II, không có quy định về việc nối đất bảo vệ trừ trường hợp có phương tiện duy trì sự liên tục mạch nối đất bảo vệ của các thiết bị khác trong hệ thống. Các phương tiện này phải được cách ly với các bộ phận có điện áp nguy hiểm bằng lớp cách điện kép hay cách điện tăng cường
Nếu thiết bị loại II có đường nối đất phục vụ mục đích công tác, mạch đất công tác phải được cách ly với các bộ phận có điện áp nguy hiểm bằng cách điện kép hoặc cách điện tăng cường.
# 2.4.3.5.3. Các dây dẫn nối đất bảo vệ không được lắp kèm các công tắc hoặc cầu chì
# 2.4.3.5.4. Nếu một hệ thống chứa cả các thiết bị loại I và các thiết bị loại II, việc kết nối thiết bị phải bảo đảm nối đất cho tất cả các thiết bị loại I, không phụ thuộc vào sự bố trí thiết bị trong hệ thống
# 2.4.3.5.5. Các dây dẫn đất bảo vệ có thể để trần hoặc có vỏ bọc cách điện. Nếu sử dụng vỏ cách điện, phải có màu dạng xanh/vàng trừ hai trường hợp sau
- Đối với dây nối đất dạng xoắn, lớp cách điện phải có màu xanh/vàng hoặc trong suốt;
- Đối với dây dẫn bảo vệ ở dạng lắp ghép như cáp rời, thanh dẫn, dây dẻo... có thể dùng bất cứ màu nào sao cho không nhầm lẫn khi sử dụng.
# 2.4.3.5.6. Các kết nối với đất bảo vệ phải đảm bảo sao cho khi ngắt kết nối ở một bộ phận sẽ không làm ngắt kết nối của các bộ phận khác, trừ khi các bộ phận khác cũng được ngắt ra khỏi điện áp nguy hiểm ở cùng thời điểm
# 2.4.3.5.7. Các kết nối với đất bảo vệ cần được thiết lập sớm hơn và ngắt muộn hơn các kết nối với nguồn, bao gồm
- Đầu nối của một bộ phận nối đất bảo vệ mà người vận hành có thể tháo ra;
- Phích cắm ở dây nguồn;
- Bộ ghép thiết bị.
# 2.4.3.5.8. Các kết nối với đất bảo vệ cần được thiết kế sao cho chúng không thể bị ngắt trước khi bỏ các bộ phận chúng bảo vệ ra, trừ khi đã ngắt bộ phận đó ra khỏi điện áp nguy hiểm ở cùng thời điểm
# 2.4.3.5.9. Đối với các dây nguồn cố định hoặc các dây nguồn không thể tháo lắp được, các đầu nối đất bảo vệ cần thoả mãn các yêu cầu đối với các đầu nối trong mạng dây dùng cho dây nguồn sơ cấp ngoài
Nếu có phương tiện kẹp, cần tránh để rơi dây dẫn một cách bất ngờ. Nói chung, các thiết kế thường sử dụng các đầu nối mang dòng (khác với đầu nối dạng trụ), có khả năng đàn hồi đủ thoả mãn yêu cầu; một số thiết kế khác cần sử dụng một số biện pháp đặc biệt như sử dụng một bộ phận đàn hồi để không bị ngắt một cách vô tình.
# 2.4.3.5.10. Chống ăn mòn
Các bộ phận dẫn điện ở các kết nối đất bảo vệ không phải chịu sự ăn mòn do hoạt động điện hoá trong môi trường hoạt động, lưu giữ và vận chuyển như quy định trong tài liệu hướng dẫn của nhà sản xuất.
Các kết cuối nối đất bảo vệ phải có khả năng chống ăn mòn đáng kể. Khả năng này có thể đạt được bằng phương pháp mạ hoặc bọc hợp lý.
# 2.4.3.5.11. Điện trở của các dây dẫn nối đất bảo vệ
Điện trở của kết nối giữa đất bảo vệ hoặc tiếp giáp nối đất và các bộ phận cần nối đất không được vượt quá 0,1 Ω.
# 2.4.3.6. Ngắt nguồn sơ cấp
Phải có thiết bị ngắt để ngắt thiết bị khỏi nguồn.
# 2.4.3.7. Khoá an toàn
Phải có khoá an toàn tại những nơi người vận hành có thể bị nguy hiểm khi tiếp cận.
# 2.4.4. Dòng rò đất
# 2.4.4.1. Tổng quan
Thiết bị nối với các hệ thống nguồn TT và TN phải thoả mãn với các yêu cầu từ 2.4.4.2 đến 2.4.4.5. Thiết bị nối với các hệ thống nguồn IT phải thoả mãn với các yêu cầu trong 2.4.5.
# 2.4.4.2. Các yêu cầu
Thiết bị phải có dòng rò đất không vượt quá các giá trị trong Bảng 4 khi được đo như trong 2.4.4.3 hay 2.4.4.4.
| Thiết bị loại | Kiểu thiết bị | Dòng rò cực đại, mA |
|---|---|---|
| II | Tất cả các loại thiết bị | 0,25 |
| I | Thiết bị cầm tay | 0,75 |
| I | Thiết bị có thể di chuyển (trừ thiết bị cầm tay) | 3,5 |
| I | Thiết bị cố định, cắm kiểu A | 3,5 |
| I | Thiết bị cố định, nối vĩnh viễn hay thiết bị cắm kiểu B | |
| - Không chịu các điều kiện trong 2.4.4.5 | 3,5 | |
| - Chịu các điều kiện trong 2.4.4.5 | 5% dòng đầu vào |
Nếu một hệ thống gồm các thiết bị nối riêng rẽ đến nguồn sơ cấp riêng, mỗi thiết bị đều cần được thử riêng rẽ. Một hệ thống gồm các thiết bị nối chung đến nguồn sơ cấp có thể được coi là một thiết bị đơn.
Thiết bị được thiết kế dùng với nhiều nguồn chỉ cần thử với một nguồn. Đối với thiết bị cắm kiểu B hoặc thiết bị nối vĩnh viễn, nếu qua nghiên cứu sơ đồ mạch có thể thấy rằng dòng rò đất vượt quá 3,5 mA nhưng không quá 5% dòng điện đầu vào, không cần thực hiện phép thử.
Nếu việc thử thiết bị ở điện áp nguồn khó khăn nhất không thực hiện được, có thể tiến hành thử ở một điện áp trong khoảng điện áp danh định hoặc trong phạm vi dung sai của điện áp danh định sau đó tính toán các kết quả.
# 2.4.4.3. Thiết bị một pha
Thiết bị một pha nối giữa một dây pha và dây trung tính được thử bằng cách sử dụng mạch đo như trong Hình 8 với khoá ở các vị trí 1 và 2.
Với mỗi vị trí khoá này, các khoá trong thiết bị dùng để điều khiển nguồn sơ cấp cần được đóng và mở ở các vị trí của chúng.
Các giá trị dòng điện không được vượt quá các giới hạn trong Bảng 4.

# 2.4.4.4. Thiết bị ba pha
Thiết bị ba pha hoặc thiết bị nối giữa hai dây pha được thử bằng cách sử dụng mạch đo như trong Hình 9. Trong quá trình thử, các khoá trong thiết bị dùng để điều khiển nguồn sơ cấp cần được đóng và mở ở các vị trí của chúng.
Các linh kiện dùng để triệt nhiễu điện từ (EMI) nối giữa dây pha và đất phải được tháo từng cái một; với thao tác này, nhóm các linh kiện nối song song nhờ một kết nối đơn được xử lý như một linh kiện đơn.
CHÚ THÍCH: Các bộ lọc thường được đóng kín nên có thể cần một bộ rời để thử hoặc phải mô phỏng mạng lọc.
Mỗi lần ngắt đường đến đất, cần lặp lại thứ tự hoạt động của khoá.
Các giá trị dòng điện không được vượt quá các giới hạn trong Bảng 4.

# 2.4.4.5. Thiết bị có dòng rò vượt quá 3,5 mA
Thiết bị cố định loại I như thiết bị nối vĩnh viễn hoặc thiết bị cắm kiểu B có dòng rò đất vượt quá 3,5 mA phải thoả mãn các điều kiện sau:
- Dòng rò không được vượt quá 5% dòng điện đầu vào trên mỗi pha. Khi tính toán có thể sử dụng tải không cân bằng lớn nhất của các dòng điện ba pha. Nếu cần, có thể sử dụng các phép thử trong 2.4.4.3 và 2.4.4.4 nhưng phải dùng dụng cụ đo có trở kháng nhỏ (không đáng kể);
- Tiết diện của dây đất bảo vệ trong mạch không được nhỏ hơn tiết diện của các dây nguồn ít nhất 1,0 mm2 trên đường có dòng rò lớn;
- Cần có cảnh báo ở nơi kết nối với nguồn sơ cấp, ví dụ:
# 2.4.5. Dòng rò đất đối với các thiết bị nối với các hệ thống nguồn IT
# 2.4.5.1. Tổng quan
Phần này quy định các yêu cầu đối với các thiết bị nối với hệ thống nguồn IT. Thiết bị thỏa mãn các yêu cầu này sẽ thoả mãn với các yêu cầu trong 2.4 khi kết nối đến các hệ thống nguồn TT hay TN.
CHÚ THÍCH: Trong hệ thống nguồn IT, dòng điện qua dây đất an toàn của thiết bị khi đã được kết nối đúng có thể cao hơn trong các hệ thống nguồn TT hay TN. ở điều kiện có thể chấp nhận, các phép đo trong này sẽ xác định dòng rò có thể qua người trong trường hợp đứt dây đất an toàn của thiết bị một cách bất ngờ.
# 2.4.5.2. Các yêu cầu
Thiết bị cần có dòng rò đất không vượt quá các giá trị trong Bảng 5 khi được đo như trong 2.4.5.3 hay 2.4.5.4.
| Thiết bị loại | Kiểu thiết bị | Dòng rò cực đại, mA |
|---|---|---|
| II | Tất cả các loại thiết bị | 0,25 |
| I | Thiết bị cầm tay | 0,75 |
| I | Thiết bị có thể di chuyển (trừ thiết bị cầm tay) | 3,5 |
| I | Thiết bị cố định, cắm kiểu A | 3,5 |
| I | Thiết bị cố định, nối vĩnh viễn hay thiết bị cắm kiểu B | |
| - Không chịu các điều kiện trong 2.4.5.5 | 3,5 | |
| - Chịu các điều kiện trong 2.4.5.5 | 5% dòng đầu vào |
Nếu một hệ thống gồm các thiết bị nối riêng rẽ đến nguồn sơ cấp riêng, mỗi thiết bị đều cần được thử riêng rẽ. Một hệ thống gồm các thiết bị nối chung đến nguồn sơ cấp có thể được coi là một thiết bị đơn.
Thiết bị được thiết kế dùng với các nhiều nguồn chỉ cần thử với một nguồn. Đối với thiết bị cắm kiểu B hoặc thiết bị nối vĩnh viễn, nếu qua nghiên cứu sơ đồ mạch có thể thấy rằng dòng rò đất vượt quá 3,5 mA nhưng không quá 5% dòng điện đầu vào thì không cần thực hiện phép thử.
Nếu việc thử thiết bị ở điện áp nguồn khó khăn nhất không thực hiện được, có thể tiến hành thử ở một điện áp trong khoảng điện áp danh định hoặc trong phạm vi dung sai của điện áp danh định sau đó tính toán các kết quả.
# 2.4.5.3. Thiết bị một pha
# 2.4.5.3.1. Thiết bị một pha nối giữa một dây pha và dây trung tính được thử bằng cách sử dụng mạch đo như trong Hình 10 với khoá ở các vị trí 1, 2 và 3
# 2.4.5.3.2. Với mỗi vị trí khoá này, các khoá trong thiết bị dùng để điều khiển nguồn sơ cấp cần được đóng và mở ở tất cả các vị trí của chúng
Các giá trị dòng điện không được vượt quá các giới hạn trong Bảng 5.

# 2.4.5.4. Thiết bị ba pha
# 2.4.5.4.1. Thiết bị ba pha và thiết bị nối giữa hai dây pha được thử ở các điều kiện dưới đây bằng cách sử dụng mạch đo như trong Hình 11 có khoá ở các vị trí 1, 2, 3 và 4
# 2.4.5.4.2. Với mỗi vị trí khoá này, các khoá trong thiết bị dùng để điều khiển nguồn sơ cấp cần được đóng và mở ở các vị trí của chúng
# 2.4.5.4.3. Trong phép thử 2.4.5.4.2, các linh kiện dùng để triệt nhiễu điện từ (EMI) nối giữa dây pha và đất phải được tháo từng cái một; với thao tác này, nhóm các linh kiện nối song song nhờ một kết nối đơn được xử lí như một linh kiện đơn
Mỗi lần ngắt đường đến đất, cần lặp lại thứ tự đầy đủ trong 2.4.5.4.2.
CHÚ THÍCH: Các bộ lọc thường được đóng kín nên có thể cần có một bộ rời để thử hoặc phải mô phỏng mạng lọc.
Các giá trị dòng điện không được vượt quá các giới hạn trong Bảng 5.

# 2.4.5.5. Thiết bị có dòng rò vượt quá 3,5 mA
Thiết bị cố định loại I như thiết bị nối vĩnh viễn hoặc thiết bị cắm kiểu B có dòng rò đất vượt quá 3,5 mA phải thoả mãn các điều kiện sau:
- Dòng rò không được vượt quá 5 % dòng điện đầu vào trên mỗi pha. Khi tính toán có thể sử dụng tải không cân bằng lớn nhất của các dòng điện ba pha. Nếu cần, có thể sử dụng các phép thử trong 2.4.4.3 và 2.4.4.4 nhưng phải dùng dụng cụ đo có trở kháng nhỏ (không đáng kể);
- Tiết diện của dây đất bảo vệ trong mạch không được nhỏ hơn tiết diện của các dây nguồn ít nhất 1,0 mm2 trên đường dòng rò lớn;
- Cần có cảnh báo ở nơi kết nối với nguồn sơ cấp, ví dụ:
# 3. QUY ĐỊNH VỀ QUẢN LÝ
# 3.1. Các thiết bị đầu cuối viễn thông được quy định tại Danh mục thiết bị phải thực hiện chứng nhận hợp quy, công bố hợp quy do Bộ Thông tin và Truyền thông ban hành phải tuân thủ Quy chuẩn này.
# 3.2. Yêu cầu đánh giá phù hợp của thiết bị với Quy chuẩn này được quy định cụ thể theo bảng sau:
| Nội dung | Yêu cầu kỹ thuật | Đánh giá phù hợp | Tham chiếu |
|---|---|---|---|
| 1 | Các yêu cầu đối với mạch điện áp viễn thông (TNV) và chống điện giật | ||
| - Yêu cầu đối với các mạch kết nối | Kiểm tra | 3.1.1 | |
| - Các yêu cầu đối với mạch TNV | |||
| + Các giới hạn của mạch TNV | Kiểm tra | 3.1.2.1 | |
| + Cách ly mạch TNV với các mạch khác và các bộ phận có thể tiếp cận chưa được nối đất | Phép thử 3.1.2.3 | 3.1.2.2 | |
| + Cách ly với các điện áp nguy hiểm | Xem xét, phân tích | 3.1.2.4 | |
| + Kết nối mạch TNV với các mạch khác | Xem xét, phân tích | 3.1.2.5 | |
| - Bảo vệ chống tiếp xúc với các mạch TNV | Kiểm tra | 3.1.3 | |
| 2 | Yêu cầu đảm bảo an toàn cho những người phục vụ và người sử dụng mạng viễn thông | ||
| - Bảo vệ tránh điện áp nguy hiểm | Xem xét, đo đạc | 3.2.1 | |
| - Nối đất bảo vệ | Xem xét, phân tích | 3.2.2 | |
| - Cách ly mạng viễn thông với đất | Xem xét, phân tích, thử | 3.2.3 | |
| - Dòng rò đến mạng viễn thông | Đo | 3.2.4 | |
| 3 | Bảo vệ người sử dụng thiết bị khỏi sự quá áp trên mạng viễn thông | Thử | 3.3 |
# 3.3. Điều kiện và phương pháp thử
# 3.3.1 Chỉ áp dụng các yêu cầu và phép thử trong Quy chuẩn này nếu phép thử là an toàn. Nếu căn cứ vào thiết kế và cấu trúc của thiết bị thấy rằng phép thử cụ thể không áp dụng được, thì không thực hiện các phép thử này.
Cần xem xét hậu quả của các sai hỏng có thể xảy ra bằng cách phân tích thiết kế mạch và cấu trúc mạch để xác định rõ thiết bị có liên quan đến vấn đề an toàn hay không.
# 3.3.2. Các phép thử quy định trong Quy chuẩn này được coi là các phép thử mẫu, trừ khi có các quy định khác.
# 3.3.3. Một mẫu hoặc các mẫu được thử phải đại diện cho loạt thiết bị người sử dụng sẽ nhận.
Một cách khác để thực hiện các phép thử đối với một thiết bị hoàn chỉnh là thực hiện các phép thử riêng rẽ trên các mạch, các bộ phận hoặc các khối nhỏ ở bên ngoài thiết bị, với điều kiện thiết bị sau khi đã được ghép nối phải tuân thủ các yêu cầu của Quy chuẩn. Nếu một phép thử bất kỳ nói trên cho thấy có sự không thoả mãn trong thiết bị hoàn chỉnh, phải lặp lại phép thử trên thiết bị hoàn chỉnh.
Nếu một phép thử nào xác định trong Quy chuẩn này có thể gây hỏng thiết bị, thì có thể sử dụng một mô hình có điều kiện tương ứng để biểu diễn điều kiện cần đánh giá.
CHÚ THÍCH 1: Các phép thử cần thực hiện theo thứ tự sau đây:
- Lựa chọn trước các linh kiện hoặc vật liệu;
- Thực hiện các phép thử sơ bộ các linh kiện hoặc các khối nhỏ (bench tests);
- Thực hiện các phép thử khi thiết bị chưa được cấp nguồn;
- Thực hiện các phép thử khi thiết bị đang hoạt động (live tests):
+ Điều kiện hoạt động bình thường;
+ Điều kiện hoạt động bất thường;
+ Điều kiện hư hỏng có thể.
CHÚ THÍCH 2: Các đơn vị liên quan nên cùng xem xét chương trình thử, các mẫu thử và trình tự thử.
# 3.3.4. Trừ trường hợp các điều kiện thử cụ thể đã được quy định trong Quy chuẩn và trường hợp thấy rõ ảnh hưởng nghiêm trọng của kết quả phép thử, phải thực hiện các phép thử ở các điều kiện bất lợi nhất trong phạm vi quy định của nhà sản xuất về các tham số sau:
- Điện áp nguồn;
- Tần số nguồn;
- Vị trí của thiết bị và các bộ phận có thể di chuyển được;
- Chế độ hoạt động;
- Việc điều chỉnh các bộ ổn nhiệt, thiết bị điều chỉnh hoặc các núm điều khiển tương tự trong vùng tiếp cận của người vận hành, cụ thể:
+ Có thể điều chỉnh được mà không cần dùng dụng cụ hỗ trợ,
+ Có thể điều chỉnh được bằng cách sử dụng chìa khoá hoặc dụng cụ dành riêng cho người vận hành.
# 3.3.5. Khi xác định điện áp nguồn bất lợi nhất để thực hiện phép thử, cần quan tâm các yếu tố sau đây:
- Các điện áp bội của điện áp danh định;
- Các giá trị tới hạn của dải điện áp danh định;
- Dung sai các điện áp danh định (thường do nhà sản xuất thiết bị quy định).
Nếu nhà sản xuất thiết bị không quy định dung sai, thì lấy là +6% và -10%. Nếu điện áp danh định là 230 V một pha hoặc 400 V ba pha, dung sai không được nhỏ hơn +10% và -10%.
Khi thiết bị thử được thiết kế chỉ để dùng với nguồn một chiều, cần quan tâm đến các ảnh hưởng của cực tính.
# 3.3.6. Khi xác định tần số nguồn bất lợi nhất để thực hiện phép thử, cần quan tâm đến các tần số danh định khác nhau trong dải tần số danh định (ví dụ 50 Hz và 60 Hz), nhưng không cần quan tâm đến dung sai của tần số danh định (ví dụ 50 Hz ± 0,5 Hz).
# 3.3.7. Khi xác định giá trị nhiệt độ cực đại (Tmax) hoặc lượng tăng nhiệt độ cực đại (ΔTmax) để tuân thủ phép thử thường dựa vào giả thiết nhiệt độ không khí trong phòng là 25oC. Tuy nhiên, các nhà sản xuất thiết bị có thể quy định nhiệt độ phòng cao hơn.
Không cần duy trì nhiệt độ phòng (Tamb) ở một giá trị xác định trong suốt quá trình thử, nhưng nhiệt độ này phải được giám sát và ghi lại.
Các nhiệt độ đo được trên thiết bị phải thoả mãn một trong các điều kiện sau đây (tất cả các nhiệt độ được đo bằng oC):
Nếu Tmax đã xác định: (T-Tamb) ≤ (Tmax- Tmra)
Nếu ΔTmax đã xác định: (T - Tamb) ≤ (ΔTmax + 25 - Tmra)
Trong đó:
T: Nhiệt độ đo được của một bộ phận ở các điều kiện thử quy định
Tmra: Nhiệt độ phòng cực đại theo quy định của nhà sản xuất hoặc là 25oC (chọn giá trị lớn hơn).
Trong suốt quá trình thử, nhiệt độ phòng không được vượt quá Tmra trừ khi có sự chấp thuận của tất cả các đơn vị có liên quan.
# 3.3.8. Nhiệt độ của cuộn dây phải được xác định bằng phương pháp cặp nhiệt độ hoặc phương pháp điện trở, trừ trường hợp có quy định dùng phương pháp cụ thể khác. Nhiệt độ của các bộ phận khác xác định bằng phương pháp cặp nhiệt độ. Có thể sử dụng các phương pháp đo nhiệt độ khác nếu các phương pháp đó không ảnh hưởng đến sự cân bằng nhiệt và có độ chính xác thỏa mãn Quy chuẩn. Phải chọn vị trí đặt các bộ cảm ứng nhiệt sao cho chúng ảnh hưởng ít nhất đến nhiệt độ của bộ phận cần đo.
# 3.3.9. Để xác định dòng điện đầu vào và khi các kết quả thử khác bị ảnh hưởng, cần phải quan tâm và điều chỉnh các tham số sau để có được các kết quả bất lợi nhất:
- Tải của các chức năng tuỳ chọn của thiết bị được nhà sản xuất cung cấp kèm theo thiết bị;
- Tải của các bộ phận khác của thiết bị được nhà sản xuất quy định dùng nguồn từ thiết bị được thử;
- Tải nối với các đầu ra nguồn chuẩn bất kỳ trong vùng tiếp cận của người vận hành trên thiết bị.
Có thể sử dụng các tải giả để mô phỏng các tải này trong quá trình thử.
# 3.3.10. Trong Quy chuẩn này, các chất lỏng dẫn điện được coi là các bộ phận dẫn điện.
# 3.3.11. Các dụng cụ đo điện cần có thang đo đủ để có thể đọc chính xác các thông số, có quan tâm đến các thành phần một chiều, tần số cao, tần số nguồn, mức hài... của thông số được đo. Nếu đo các giá trị hiệu dụng, cần sử dụng các dụng cụ đo có thể đo được các giá trị hiệu dụng của cả dạng sóng hình sin và không sin.
# 3.3.12. Khi cần sử dụng các lỗi mô phỏng hoặc các điều kiện hoạt động bất thường, phải mô phỏng lần lượt từng trường hợp một. Các lỗi do hậu quả trực tiếp của lỗi cố ý hoặc điều kiện hoạt động không bình thường được coi là một phần của lỗi cố ý hoặc điều kiện hoạt động bất thường đó.
Cần kiểm tra các đặc tính kỹ thuật của các bộ phận, thiết bị, sơ đồ mạch để xác định các điều kiện lỗi có thể xảy ra. Các lỗi này bao gồm:
- Hiện tượng ngắn mạch và hở mạch của các thiết bị bán dẫn và tụ điện;
- Các lỗi gây ra sự tiêu tán liên tục của các điện trở dùng cho mục đích tiêu tán gián đoạn;
- Các lỗi bên trong các mạch tích hợp gây ra sự tiêu tán quá mức;
- Lỗi trong lớp cách điện cơ bản giữa các bộ phận có dòng điện của mạch sơ cấp và:
+ Các bộ phận dẫn điện có thể tiếp cận,
+ Các màn chắn dẫn điện đã nối đất,
+ Các bộ phận của mạch SELV,
+ Các bộ phận của mạch giới hạn dòng.
# 3.3.13. Khi Quy chuẩn đã quy định điện áp giữa một bộ phận dẫn điện và đất, phải xem xét tất cả các bộ phận đã nối đất sau đây:
- Cực đất bảo vệ (nếu có);
- Các bộ phận dẫn điện có yêu cầu nối đất bảo vệ;
- Các bộ phận dẫn điện đã nối đất công tác trong thiết bị.
Các bộ phận sẽ được tiếp đất trong khi sử dụng bằng cách nối với thiết bị khác, nhưng không được tiếp đất ở thiết bị trong khi thử, phải được nối đất tại điểm có điện áp cao nhất. Không cần đo điện áp rơi trên dây nối đất bảo vệ của dây nguồn hoặc trong dây đất của một mạng dây ngoài khác.
# 3.3.14. Được phép dùng loại cách điện tốt hơn so với loại được Quy chuẩn quy định. Tương tự, cũng được phép dùng loại vật liệu chống cháy tốt hơn so với một loại cụ thể được Quy chuẩn quy định.
# 4. TRÁCH NHIỆM CỦA TỔ CHỨC, CÁ NHÂN
Các tổ chức, cá nhân liên quan có trách nhiệm thực hiện chứng nhận hợp quy và công bố hợp quy các thiết bị đầu cuối viễn thông và chịu sự kiểm tra của cơ quan quản lý nhà nước theo các quy định hiện hành.
# 5. TỔ CHỨC THỰC HIỆN
5.1. Cục Quản lý chất lượng Công nghệ thông tin và Truyền thông và các Sở Thông tin và Truyền thông có trách nhiệm tổ chức hướng dẫn, triển khai quản lý các thiết bị đầu cuối viễn thông phù hợp với Quy chuẩn này.
5.2. Quy chuẩn này được áp dụng thay thế Tiêu chuẩn ngành TCN 68-190:2003 "Thiết bị đầu cuối viễn thông - Yêu cầu an toàn điện".
5.3. Trong trường hợp các quy định nêu tại Quy chuẩn này có sự thay đổi, bổ sung hoặc được thay thế thì thực hiện theo quy định tại văn bản mới.
# Phụ lục A (Quy định) Dụng cụ đo trong phép đo dòng rò
Dụng cụ đo trong phép đo dòng rò (dòng rò đất và dòng rò đến mạng viễn thông) có sơ đồ mạch như sau:
![]() |
|---|
| V: Vôn kế |
Hình A.1 - Dụng cụ đo trong phép đo dòng rò |
Đọc giá trị thực trên Vôn kế. Trong đó:
- Sai số: ≤ 2%
- Trở kháng đầu vào: ≥ 1 MΩ
- Dung kháng đầu vào: ≥ 200 pF
- Dải tần: 15 Hz đến 1 MHz
Giá trị dòng rò tính theo công thức:
| Dòng rò | = | U –––––– 500 | (A) |
|---|
# Phụ lục B (Tham khảo) Bộ tạo xung thử
Mạch trong Hình B.1 (giá trị như trong Bảng B.1) dùng để tạo xung, tụ điện C1 ban đầu được nạp tới điện áp Uc. Sử dụng mạch thử đối với xung 10/700 μs quy định trong Khuyến nghị K.17 của ITU-T để mô phỏng sét trong mạng viễn thông. Mạch thử đối với xung 1,2/50 μs quy định trong Khuyến nghị K.21 của ITU-T dùng để mô phỏng các trạng thái đột biến trong các hệ thống nguồn.
CHÚ THÍCH: Cần chú ý khi sử dụng các bộ tạo xung mà tụ C1 tích điện lớn.

| Xung thử | C1 | R1 | R2 | C2 | R3 |
|---|---|---|---|---|---|
| 10/700 μs | 20 μF | 50 Ω | 15 Ω | 0,2 μF | 25 Ω |
| 1,2/50 μs | 1 μF | 76 Ω | 13 Ω | 33 μF | 25 Ω |
# Phụ lục C (Quy định) Yêu cầu đối với các tín hiệu chuông điện thoại
# C.1. Quy định chung
Có hai phương thức an toàn điện tương đương rất phổ biến được mô tả trong Phụ lục này. Phương thức A là dạng điển hình cho các mạng điện thoại tương tự ở châu Âu và phương thức B là dạng điển hình ở Bắc Mỹ. Quy chuẩn này quy định sử dụng một trong hai phương thức nêu trên.
# C.2. Phương thức A
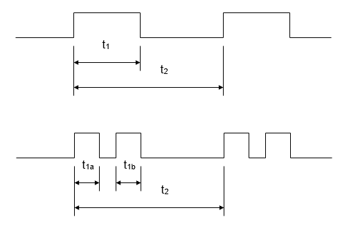
Phương thức này yêu cầu các dòng điện ITS1 và ITS2 qua điện trở 5 kΩ, giữa hai dây dẫn bất kỳ hay giữa một dây dẫn và đất không vượt qua các giới hạn sau:
a) ITS1 là dòng điện hiệu dụng, xác định bằng cách tính toán hoặc đo đạc với thời gian rung chuông đơn t1 (như định nghĩa trong Hình C.1), không được vượt quá:
- Giá trị dòng cho bởi đường cong trong Hình C.1 tại thời điểm t1 đối với chuông nhịp (t1 < ∞), hoặc
- 16 mA hay 20 mA khi chuông nhịp biến thành liên tục do hỏng đơn, đối với trường hợp chuông liên tục (t1 = ∞).
Trong đó ITS1 tính bằng mA, được tính như sau:
| t1 ≤ 600ms | |
| 600ms < t1 < 1200ms | |
| t1 ≥ 1200ms |
Trong đó:
IP là dòng đỉnh, tính bằng mA;
IPP là dòng đỉnh - đỉnh, tính bằng mA;
t1 được tính bằng ms.
b) ITS2 là dòng trung bình của một tín hiệu chuông nhịp với một chu kỳ tín hiệu chuông t2 (Hình C.1), dòng này không được vượt quá 16 mA r.m.s, trong đó ITS2 tính bằng mA, được tính như sau:
Trong đó:
ITS1 tính bằng mA, như trong mục a);
Idc là dòng một chiều tính bằng mA qua một điện trở 5 kΩ khi xung nhịp ở mức thấp;
t1 và t2 tính bằng ms.
t1 là:
- Độ rộng của tín hiệu chuông đơn, khi có tín hiệu chuông trong toàn bộ thời gian này.
- Tổng thời gian có tín hiệu chuông trong khoảng thời gian của một tín hiệu chuông đơn bao gồm 2 hay nhiều khoảng có tín hiệu chuông rời rạc, ví dụ như trong hình dưới: t1 = t1a+t1b.
t2 là chu kỳ tín hiệu chuông.

# C.3. Phương thức B
Phương thức này dựa trên tiêu chuẩn Mỹ, CFR47 (“Các nguyên tắc của FCC”) phần 68, mục D với các yêu cầu bổ sung áp dụng ở các điều kiện lỗi. Nguồn tín hiệu chuông phải thoả mãn các yêu cầu trong C.3.1, C.3.2 và C.3.3.
# C.3.1. Tín hiệu chuông
C.3.1.1. Chỉ sử dụng tín hiệu chuông có các tần số bằng hoặc nhỏ hơn 70 Hz.
C.3.1.2. Điện áp tín hiệu chuông đo qua một điện trở ít nhất 1 MΩ phải nhỏ hơn 300 V đỉnh - đỉnh và 200 V đỉnh - đất.
C.3.1.3. Điện áp tín hiệu chuông phải được ngắt để tạo khoảng nghỉ ít nhất 1 s cách nhau không quá 5 s. Trong thời gian này, điện áp với đất không vượt quá 56,5 V một chiều.
# C.3.2. Thiết bị ngắt và điện áp điều khiển
# C.3.2.1. Các điều kiện sử dụng thiết bị ngắt hoặc điện áp điều khiển
Mạch tín hiệu chuông cần có một thiết bị ngắt như trong C.3.2.2, hoặc có một điện áp điều khiển như trong C.3.2.3, hoặc cả hai tuỳ theo dòng điện qua điện trở xác định nối giữa nguồn tín hiệu chuông và đất:
- Nếu dòng qua điện trở 500 Ω không vượt quá 100 mA đỉnh - đỉnh, không cần thiết bị ngắt cũng như điện áp điều khiển;
- Nếu dòng qua điện trở 1500 Ω vượt quá 100 mA đỉnh - đỉnh, cần có một thiết bị ngắt. Nếu thiết bị ngắt thoả mãn các tiêu chuẩn ngắt trong Hình C.2 với điện trở 500 Ω thì không cần dùng điện áp điều khiển. Tuy nhiên, nếu thiết bị ngắt chỉ thoả mãn các tiêu chuẩn ngắt với điện trở 1500 Ω, cần có điện áp điều khiển.
- Nếu dòng qua điện trở 500 Ω vượt quá 100 mA đỉnh - đỉnh, mà dòng qua điện trở 1500 Ω không vượt giá trị này thì:
+ Dùng một thiết bị ngắt thoả mãn các tiêu chuẩn ngắt trong Hình C.2 với điện trở 500 Ω, hoặc
+ Dùng một điện áp điều khiển.
# C.3.2.2. Thiết bị ngắt
Một thiết bị ngắt nhạy dòng phía trước nguồn tín hiệu sẽ ngắt tín hiệu chuông như trong Hình C.2.
![]() |
|---|
| CHÚ THÍCH - t được đo bằng thời gian nối điện trở R với mạch. - Độ nghiêng của đồ thị tính bằng |
Hình C.2 - Tiêu chuẩn ngắt điện áp tín hiệu chuông |
# C.3.2.3. Điện áp điều khiển
Điện áp với đất trên đầu dây hay trong vòng dây có độ lớn ít nhất 19 V đỉnh, không được vượt quá 56,5 V một chiều khi không có tín hiệu chuông (trạng thái rỗi).
# C.3.3. Các điều kiện lỗi
Nguồn tín hiệu chuông cần thoả mãn các yêu cầu trong C.3.1 và C.3.2.
# C.3.3.1. Dòng điện qua điện trở 5 kΩ không được vượt quá 20 mA r.m.s khi điện trở này nối giữa:
- Hai dây dẫn bất kỳ;
- Một dây dẫn bất kỳ và đất.
# C.3.3.2. Dòng điện không vượt quá 500 mA r.m.s khi nối:
- Các dây dẫn đầu ra với nhau, hoặc
- Một dây dẫn bất kỳ với đất.
# Phụ lục D (Tham khảo) Một số công cụ sử dụng trong các phép thử

![]() |
|---|
| Dung sai về kích thước: - Đối với các góc 14 và 37o: ± 15’ - Các bán kính tròn: ± 0,1mm - Các đoạn thẳng: + Nhỏ hơn hoặc bằng 15 mm: 0 hoặc -0,1 mm + Từ 15 đến 25 mm: ± 0,1 mm + Trên 25 mm: ± 0,3 mm Vật liệu làm đầu thử: ví dụ thép đã tôi |
Hình D.2 - Đầu thử (test finger) |



